Installation, Page 28 – Xantrex Technology 120 VAC/60 User Manual
Page 36

INSTALLATION
Page
28
2001 Xantrex Technology, Inc.
5916 - 195th Street N. E.
Arlington, WA 98223
Telephone: 360/435-8826
Fax: 360/435-2229
www.traceengineering.com
SW Series Inverter/Charger
Part No. 2031-5
Rev. C: February 2001
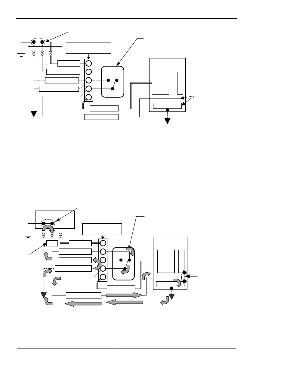
Figure 13, Neutral-To-Ground Bond Switching: External AC Source Connected
Figure 14, graphically shows the current path if no ground switching was employed in a multiple AC
source system. If one neutral was tied to the AC subpanel ground buss and another neutral tied to the
vehicle or chassis ground, the two different ground points would now form a current carrying conductor
with the frame/hull (chassis ground) acting as the “wire” between the two different ground points. This
means any ground point in the vehicle or boat becomes a potential current carrying conductor, which
could result in an electric shock. Any form of Ground Fault Circuit Interrupter (GFCI) such as those found
in bathroom outlets, will pop if a ground loop (a situation where a voltage difference exist between multiple
ground points) is created.
If, however, the ground switching system were in place, it would ensure that there is only one ground point
in the system at all times. This would be either the vehicle/boat ground or the external AC source ground,
but never both at once.
Figure 14, Neutral-To-Ground Bond Switching: Neutral Bonded To Ground
AC SOURCE
NEUTRAL-TO-GROUND SWITCHING RELAY
(Provided in the AC installation): Connects the
neutral from external AC source, and neutral of
the AC panel loads together when AC is applied
to the inverter input.
GROUND
NE
UT
RA
L
AC PANEL
(RV/Marine)
AC NEUTRAL OUT
AC HOT OUT
CHASSIS GROUND
INVERTER
(AC Terminal Block)
RY1
NEUTRAL-TO-GROUND “BOND” is
provided by an external AC source for
the entire AC system
The neutral conductor
should not be
connected to the
equipment grounding
conductors or
enclosures.
AC HOT IN
AC NEUTRAL IN
EARTH GROUND
HOT
AC SOURCE
AC PANEL
(RV/Marine)
Another NEUTRAL-
TO-GROUND
“BOND” is
incorrectly provided
in the AC panel.
The neutral
conductor should
not be connected to
the equipment
grounding
conductors or
enclosures.
NEUTRAL-TO-GROUND SWITCHING RELAY
(Provided in the AC installation): Connects the
neutral from external AC source, and neutral of
the inverter output (AC panel loads) together
when AC is applied to inverter input.
INVERTER
(AC Terminal Block)
NEUTRAL-TO-GROUND
“BOND” is provided by
the external AC source
GFI’s will
nuisance trip
with multiple
Neutral-to-
Ground bonds
AC NEUTRAL OUT
AC HOT OUT
AC HOT IN
AC NEUTRAL IN
CHASSIS GROUND
RY1
GROUND
NE
UT
RA
L
HOT
EARTH GROUND
GFI
