Symbol Technologies CMOS CXP854P60 User Manual
Page 7

– 7 –
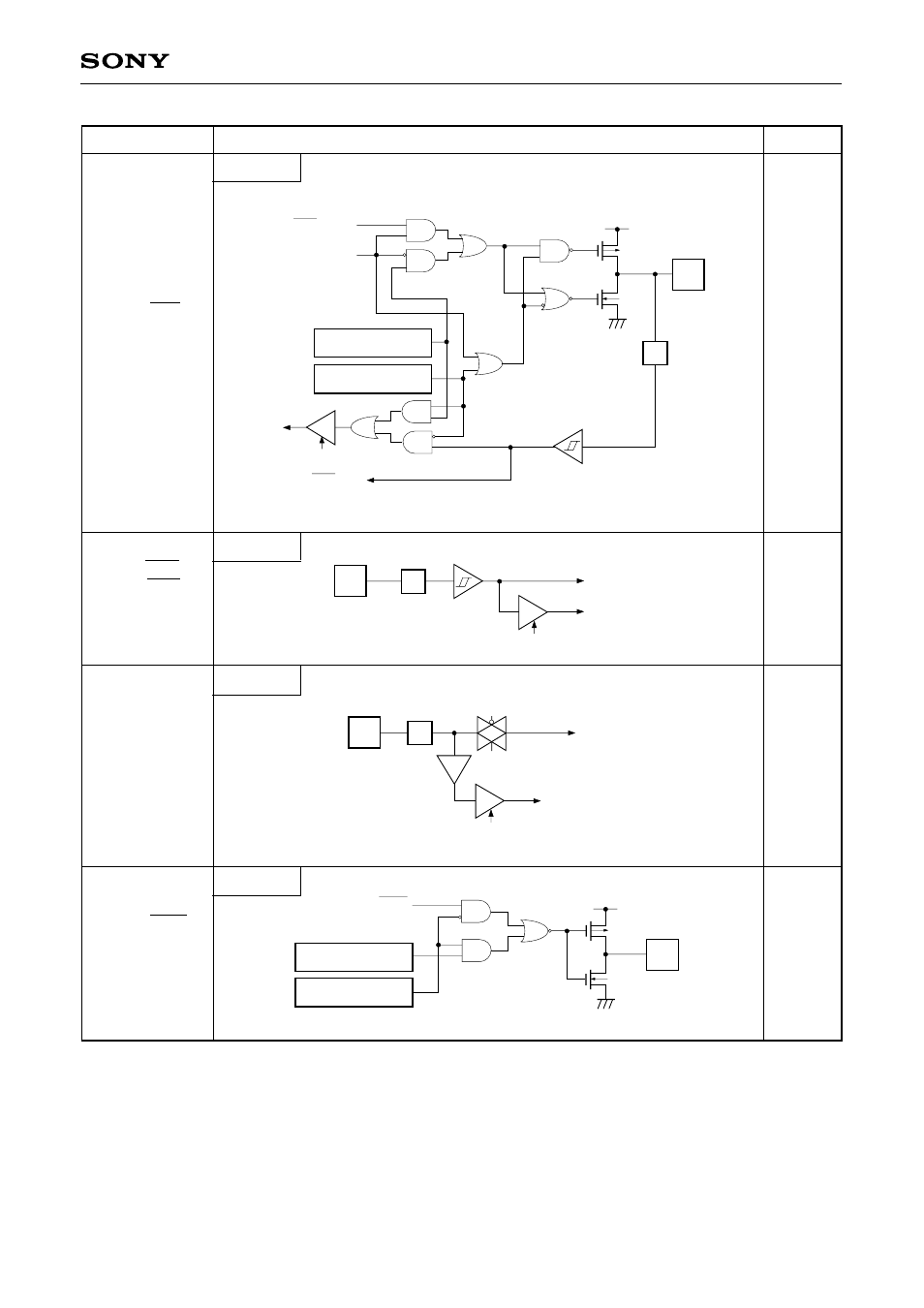
CXP854P60
Data bus
RD (Port D)
IP
Port D direction
Port D data
Large current
source 12mA
Schmitt input
SCK only
SCK or SO
Output enable
IP
RD (Port E)
Data bus
Schmitt input
(To interrupt circuit)
IP
Input multiplexer
To A/D converter
RD (Port E)
Data bus
TO, PWM
Port E selection
Port E data
Port D
Port E
2 lines
2 lines
4 lines
2 lines
Pin
When reset
Circuit format
PE0/INT0
PE1/INT1
Port E
Port E
Hi-Z
Hi-Z
Hi-Z
H level
PE2/AN0
to
PE5/AN3
PD1/SCK
PD2/SO
PE6/PWM
PE7/TO