Honeywell AQUASTAT L8124E User Manual
Page 6

L8124A,C,E,L AND M AQUASTAT® RELAYS
95-6571—11
6
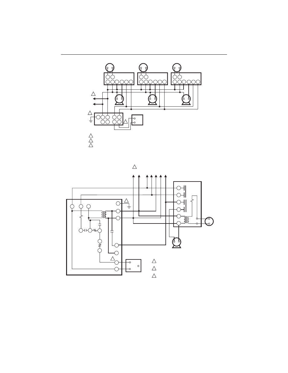
Fig. 9. L8124E in a 24 Vac, gas-fired, forced hot water, tankless, zoned pump system.
Fig. 10. L8124E multizone system with circulator connections and internal schematic.
L1
(HOT)
L2
1
2
3
POWER SUPPLY. PROVIDE DISCONNECT MEANS AND OVERLOAD PROTECTION AS REQUIRED.
CONTROL CASE MUST BE CONNECTED TO EARTH GROUND. USE GROUNDING SCREW PROVIDED.
B1 IS 1/4 IN. TAB TERMINAL.
T
T
1
2
3
4
5
6
M1794A
TH
1
2
3
TR
LOW VOLTAGE
GAS VALVE
(eg, VR8300)
L8124E
AQUASTAT® RELAY
G
L2
L1
C1 C2
T
T
B2 B1
T87F
R845 RELAY
T
T
1
2
3
4
5
6
T87F
R845 RELAY
T
T
1
2
3
4
5
6
T87F
R845 RELAY
PUMP
PUMP
PUMP
M8828
L1
(HOT)
L2
1
1
2
3
POWER SUPPLY. PROVIDE DISCONNECT MEANS AND
OVERLOAD PROTECTION AS REQUIRED.
CONTROL CASE MUST BE CONNECTED TO EARTH
GROUND. USE GROUNDING SCREW PROVIDED.
B1 IS 1/4 IN. TAB TERMINAL.
2
1
4
3
5
6
ZONE 1
LOW VOLTAGE
THERMOSTAT
R845A RELAY ZONE 1
ZONE 1
CIRCULATOR
TO ADDITIONAL
R845A RELAYS
FOR OTHER ZONES
2
3
LOW VOLTAGE
GAS VALVE (eg, VR8300)
C2
C1
B2
B1
R
B
HIGH
LIMIT
Z
1K1
B
R
W
LOW LIMIT/
CIRCULATOR
1K
2
1
G
T
TV
L8124E
1K2
TR
TH
THTR