Honeywell AQUASTAT L8124E User Manual
Page 5

L8124A,C,E,L AND M AQUASTAT® RELAYS
5
95-6571—11
Fig. 7. L8124 multizone system with zone valve
connections and internal schematic.
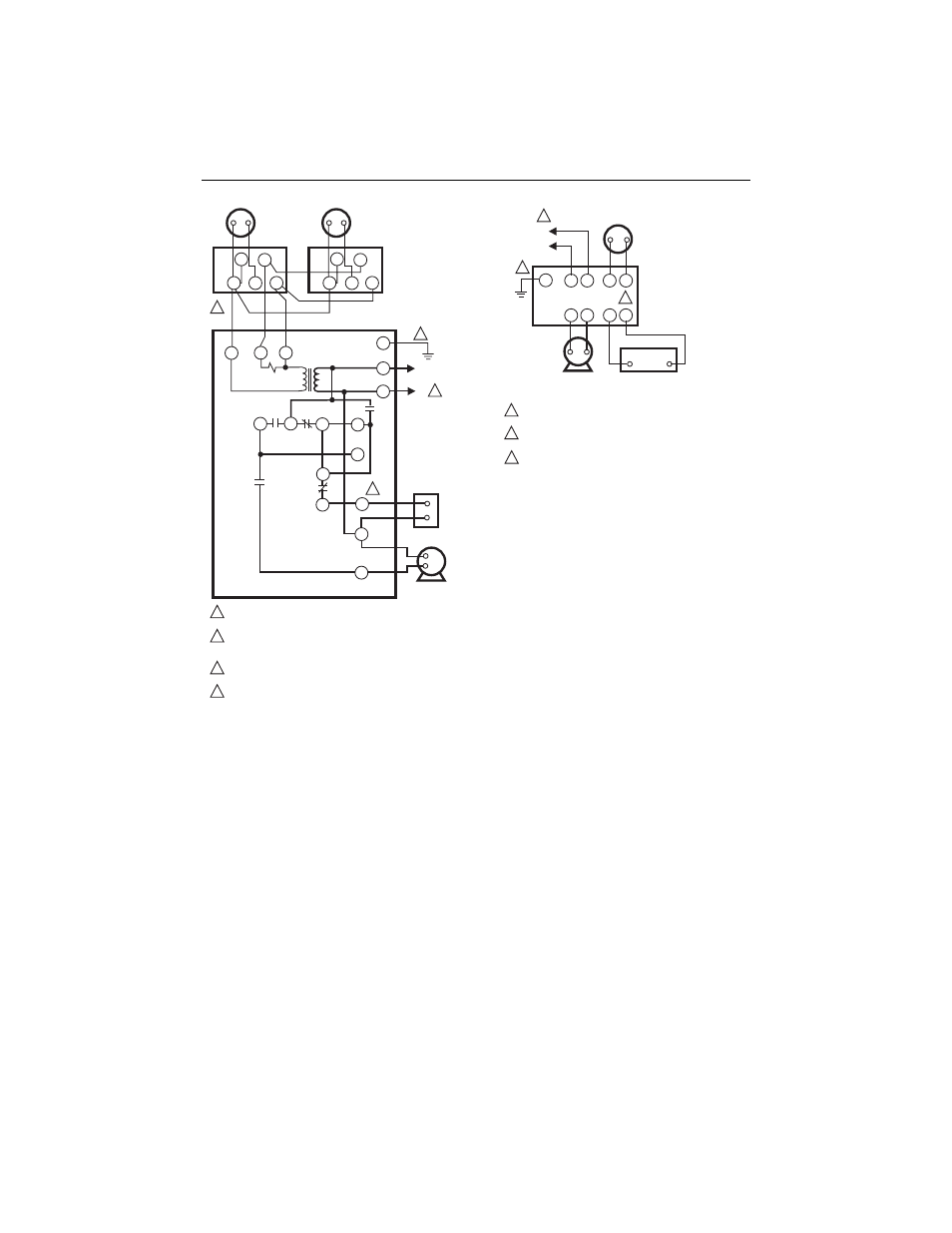
Fig. 8. L8124E in a 24Vac, gas-fired,
forced hot water, tankless system.
M1795B
L1
(HOT)
L2 1
1
2
3
4
3
2
4
POWER SUPPLY. PROVIDE DISCONNECT MEANS AND
OVERLOAD PROTECTION AS REQUIRED.
UP TO TWO V8043F ZONE VALVES CAN BE POWERED WITH
L8124G,L. ADD ADDITIONAL TRANSFORMER FOR EVERY
TWO OR LESS VALVES.
CONTROL CASE MUST BE CONNECTED TO EARTH GROUND.
USE GROUNDING SCREW PROVIDED.
B1 IS 1/4 IN. TAB TERMINAL.
LINE VOLTAGE
OIL BURNER
RELAY OR
GAS VALVE
LINE VOLTAGE
CIRCULATOR
B2
C2
C1
ZR
B1
R
B
HIGH
LIMIT
Z
1K1
B
R
W
LOW LIMIT/
CIRCULATOR
1K
2
1
G
T
TV
L8124G,L
ZONE 1
THERMOSTAT
1K2
V8043F
TH
TR
TH
TR
ZONE 2
THERMOSTAT
V8043F
TH
TR
TH
TR
ZC
L1
(HOT)
L2
1
2
3
2
3
1
TH
TR
LOW VOLTAGE
GAS VALVE
(eg, VR8300)
L8124E
G
L2
L1
C1 C2
T
T
B2 B1
T87F
POWER SUPPLY. PROVIDE DISCONNECT MEANS AND
OVERLOAD PROTECTION AS REQUIRED.
CONTROL CASE MUST BE CONNECTED TO EARTH GROUND.
USE GROUNDING SCREW PROVIDED.
B1 IS 1/4 IN. TAB TERMINAL.
CIRCULATOR
M1796A