Search
Directory
Brands
Crompton Controls manuals
Monitors
M10
Manual
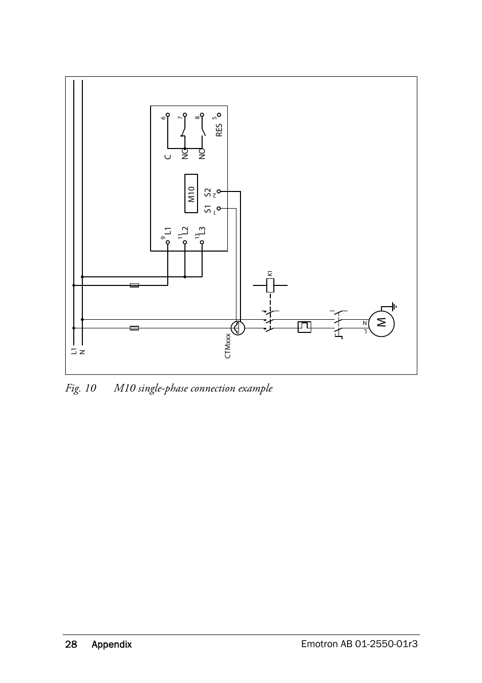
Fig. 10 m10 single-phase connection example – Crompton Controls M10 User Manual
Page 30
Text mode
Original mode
Fig. 10 m10 single-phase connection example | Crompton Controls M10 User Manual | Page 30 / 34
Pages:
1
…
28
29
30
31
32
…
34
wrong Brand
wrong Model
non readable
See also other documents in the category Crompton Controls Monitors:
DCM
(64 pages)
M20
(56 pages)