Changing the needle, Replacing the bulb – SINGER W1600 User Manual
Page 18
Attention! The text in this document has been recognized automatically. To view the original document, you can use the "Original mode".

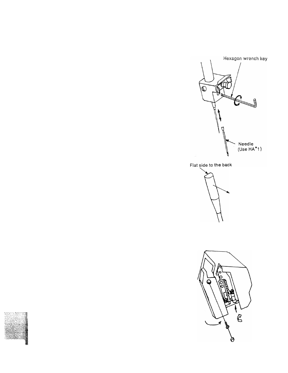
CHANGING THE NEEDLE
Turn the power switch to ”OFF" before changing the
needles.
Do not use any needle which is bent or blunt.
l.Turn the handwheel toward you until the needles are
fully raised.
2.0pen the front cover and lower the presser foot.
3. Using the hexagon wrench key from the accessory
box, loosen the needle clamp screws and remove the
needles. Upper left screw for left needle and lower
right screw for right needle.
4.1nsert the new needle with the flat side to the back into
the needle clamp, making sure it is inserted as far up
as possible. Tighten the needle clamp screw firmly.
When the needles are set correctly, the left needle is
slightly higher than the right one.
If needles are not correctly inserted, skipped stitches
will result.
''
This machine is equipped with needle systems H.A*1
( Needle are household type).
Machine front
REPLACING THE BULB
. ■■.
Turn the power switch to "OFF" before replacing the bulb.
1. Take the hole cap off by needle.
2. Loosen the screw until it is taken apart.
3. Pull the lamp cover off from the low part.
4. Push and twist and then remove the old bulb.
5,Insert the new bulb and'twist to its position.
Important:
This machine is designed to ues 12 voltage 6 watt
bulb.
The bulb is available from your local dealer.
-
17
-