Shellab SCO2W-2 User Manual
Page 25

25
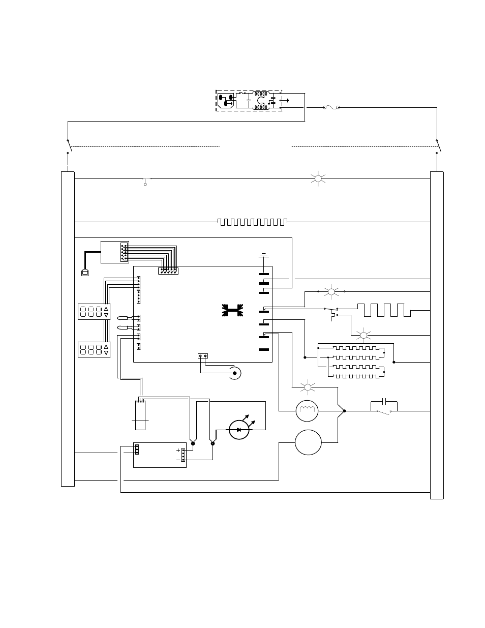
WIRING DIAGRAM
SCO2W-2 (3503-2) 220V
M
GREEN CHERRY
ROUND
POWER SWITCH
SL# 7850532
FUSED POWER INLET
6A SL# 104179
WATER FILL
SWITCH SL# 210004
WATER FILL INDICATOR
SL# 200020
CO2 PREHEATER SL# 103328
6W
HEATING INDICATOR SL# 200021
OTP SL# 100001J
OTP INDICATOR
SL# 200020
MAIN HEATING ELEMENT
SL# 120071
DOOR HEATERS
SL# 103068
10W
10W
10W
10W
CO2 INDICATOR
SL# 200021
CO2 SOLENOID
SL# 8600529
CIRCULATING FAN
MOTOR SL# 4880507
4 LOOP CONTROL
BOARD SL# 1750730
J
8
MAIN TEMP
SENSOR
DOOR
SENSOR
J
9
CO2
SENSOR
J
1
7
HUMIDITY
SENSOR
J
1
6
B
U
S
S
LOAD 1
LOAD 2
LOAD 3
LOAD 4
J1
J2
J3
J4
J5
J6
J7
EARTH GRD
(NEUT)
(HOT)
J10
COMMUNICATION
ALARM CONTACTS
IR CO2 SENSOR
SL# 8320510
12VDC
POWER SUPPLY
SL# 6750507
DOOR SWITCH
SL# X1000022
SL LOGO
LIGHT BOARD
SL# 1750737
ALARM JACK
SL# 100163
H
O
T
T
E
R
M
IN
A
L
B
L
O
C
K
N
E
U
T
R
A
L
T
E
R
M
IN
A
L
B
L
O
C
K
TEMP
DISPLAY
SL# 1750734
CO2
DISPLAY
SL# 1750735
USB BOARD
SL# 1750846
USB EXSTENSION
CABLE SL# 1800533
.47uf
BLACK
B
L
A
C
K
BLACK
BLACK
WHITE
W
H
IT
E
WHITE
WHITE
WHITE
WHITE
WHITE
WHITE
WHITE
WHITE
WHITE
WHITE
WHITE
ORANGE
ORANGE
Y
E
L
L
O
W
Y
E
L
L
O
W
RED
BLUE
BLACK
BLACK
WHITE
RED
BLACK
WH HT
BL HT
WHITE
BLACK
WHITE
FUSE HOLDER
SL# 3300501
