Directory
Brands
Grant Instruments manuals
Equipment
Transportable Incubator
Manual

Grant – Grant Instruments Transportable Incubator User Manual

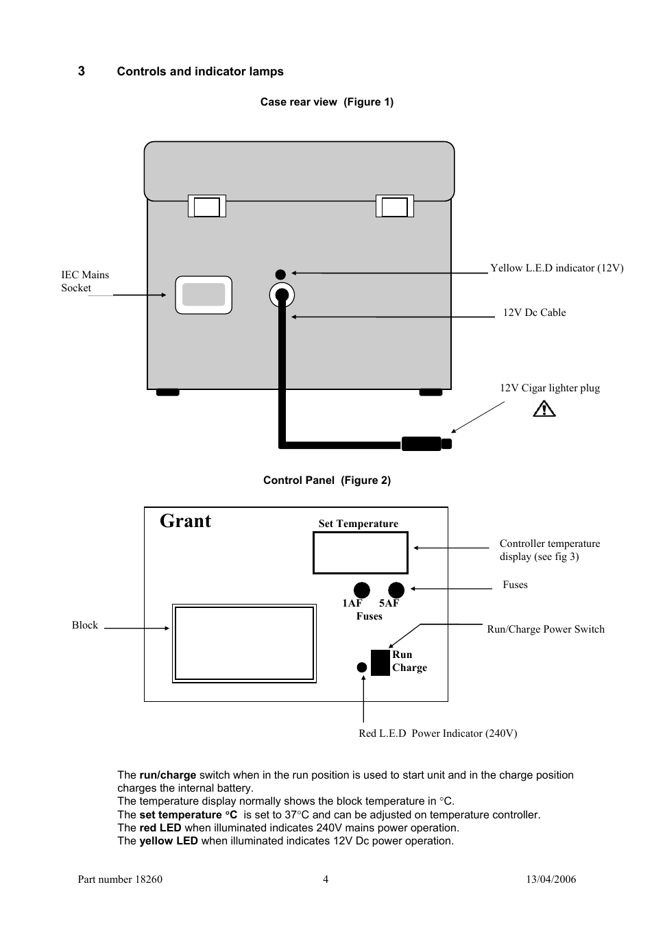
Page 4

  • Text mode
  • Original mode
Grant | Grant Instruments Transportable Incubator User Manual | Page 4 / 8 Grant | Grant Instruments Transportable Incubator User Manual | Page 4 / 8
Pages: 1 2 3 4 5 6 … 8
  • wrong Brand
  • wrong Model
  • non readable
See also other documents in the category Grant Instruments Equipment:
  • T100 Operating Manual (124 pages)
  • T100 Quick Start (6 pages)
  • TX150 Operating Manual (214 pages)
  • TX150 Quick Start (5 pages)
  • OLS200 (28 pages)
  • GLS Aqua Plus Operating Manual (94 pages)
  • GLS Aqua Plus Quick Start (1 page)
  • QBA (84 pages)
  • BTD (16 pages)
  • T100-MST20 (20 pages)
  • FH16-D (13 pages)
  • SUB Aqua Plus Operating Manual (104 pages)
  • LTC2 (28 pages)
  • LTC4 (44 pages)
  • T100 R (24 pages)
  • RC (16 pages)
  • XUB Series (156 pages)
  • XUBA Series (94 pages)
  • TBT-T100IN (20 pages)
  • PCV-3000 (16 pages)
Home Brands Popular manuals Recently added
Manuals Directory

© 2012–2025, azmanual.top
All rights reserved.