Branchement du système, 03 branchement du système – Pioneer AVIC-F9210BT User Manual
Page 72

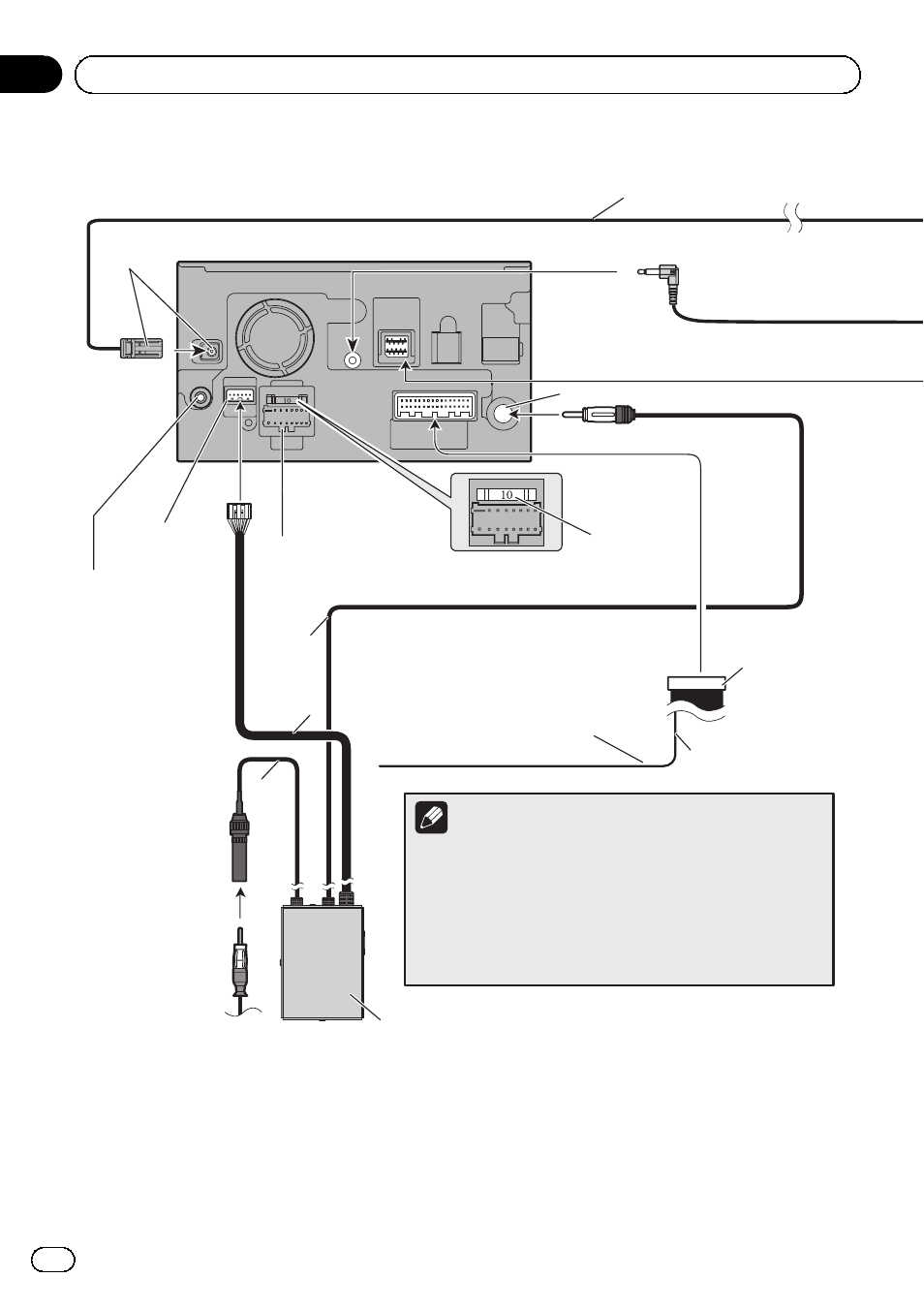
Branchement du système
Fusible (10 A)
30 cm
1 m
30 cm
Jaune/noir
Si vous utilisez un équipement doté d’une
fonction de sourdine, branchez-le au câble
de mise en sourdine audio. Sinon, laissez
libre le câble de mise en sourdine audio.
La source audio est mise en sourdine ou le son est atténué,
alors que les sons suivants ne seront pas coupés ni atténués.
(Pour en savoir plus, reportez-vous au Manuel de
fonctionnement.)
— guidage vocal de la navigation
— Sonnerie d’appel entrant et voix de l’interlocuteur du
téléphone portable qui est connecté à ce système de
navigation via la technologie sans fil Bluetooth
15 cm
Connecteur RCA
Unité de navigation
Vert
3,55 m
Tuner RDS-TMC
Prise d’antenne
WIRED REMOTE
INPUT
Consultez le
manuel d’utilisation
pour plus de détails
sur les adaptateurs
de commande à
distance (vendus
séparément).
Remarque
Port d’extension
Cordon d’alimentation
Pour le raccordement, reportez-vous au manuel de
câblage et d’installation fourni séparément.
Antenne du véhicule
Fr
72
Section
03
Branchement du système