03 conexión del sistema, Español – Pioneer AVIC-F9210BT User Manual
Page 31

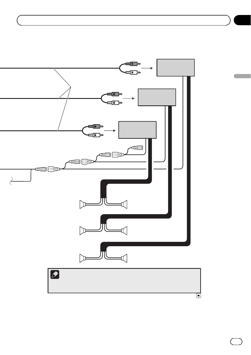
Control remoto de sistema
Puede cambiar la salida RCA del altavoz de graves segun su sistema de
altavoces de graves (consulte Manual de operacion).
Nota
Cables RCA
(se venden por separado)
Amplificador de
potencia (se vende
por separado)
Amplificador de
potencia (se vende
por separado)
Amplificador de
potencia (se vende
por separado)
Izquierda
Derecha
Altavoz
delantero
Altavoz
delantero
Altavoz
trasero
Altavoz
trasero
Altavoz de
graves
Altavoz de
graves
Es
31
Sección
Español
03
Conexión del sistema
This manual is related to the following products:
See also other documents in the category Pioneer Car Multimedia:
- PRS-X340 (88 pages)
- ND-G500 (44 pages)
- RS-A7 (142 pages)
- GM-X554 (76 pages)
- GM-X574 (88 pages)
- PRS-D1100M (113 pages)
- PRS-D1100M (8 pages)
- GM-X952 (32 pages)
- PRS-D210 (86 pages)
- GM-X642 (64 pages)
- GM-X562 (76 pages)
- PRS-A700 (74 pages)
- RS-A9 (73 pages)
- GM-X564 (76 pages)
- PRS-A500 (62 pages)
- AVIC-S2 RU (45 pages)
- AVIC-S2 RU (153 pages)
- AVIC-S2 RU (84 pages)
- AVH-2300DVD (64 pages)
- AVH-2300DVD (8 pages)
- DEH-P6600R (103 pages)
- AVIC-F50BT (2 pages)
- AVIC-F50BT (168 pages)
- AVIC-F50BT (132 pages)
- AVIC-F50BT (104 pages)
- AVIC-F50BT (180 pages)
- AVIC-F50BT (208 pages)
- AVIC-F850BT (200 pages)
- AVIC-900DVD (30 pages)
- AVIC-900DVD (74 pages)
- AVIC-900DVD (172 pages)
- AVIC-900DVD (190 pages)
- AVH-P3400DVD (112 pages)
- AVH-1400DVD (8 pages)
- AVH-1400DVD (76 pages)
- AVH-1400DVD (76 pages)
- CNSD-110FM-Russian (32 pages)
- AVIC-F860BT (216 pages)
- AVIC-F860BT (132 pages)
- AVIC-F30BT (172 pages)
- AVIC-F30BT (100 pages)
- AVIC-F930BT (2 pages)
- AVIC-F30BT (208 pages)
- AVIC-F30BT (128 pages)
- AVIC-F30BT (124 pages)