03 connecting the system, English – Pioneer AVIC-F9210BT User Manual
Page 11

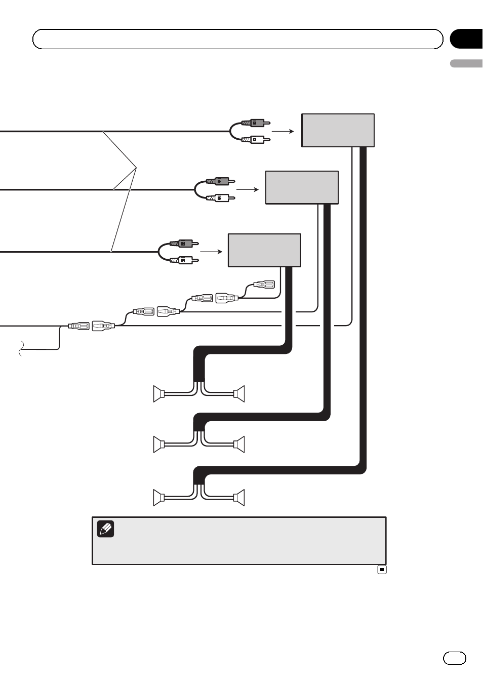
Power amp
(sold separately)
Power amp
(sold separately)
Power amp
(sold separately)
RCA cables
(sold separately)
Front speaker
Rear speaker
Subwoofer
Front speaker
Rear speaker
Subwoofer
Left
Right
System remote control
You can change the RCA output of the subwoofer depending on your subwoofer
system. (Refer to Operation Manual.)
Note
Engb
11
English
Section
03
Connecting the system
This manual is related to the following products:
See also other documents in the category Pioneer Car Multimedia:
- PRS-X340 (88 pages)
- ND-G500 (44 pages)
- RS-A7 (142 pages)
- GM-X554 (76 pages)
- GM-X574 (88 pages)
- PRS-D1100M (8 pages)
- PRS-D1100M (113 pages)
- GM-X952 (32 pages)
- PRS-D210 (86 pages)
- GM-X642 (64 pages)
- GM-X562 (76 pages)
- PRS-A700 (74 pages)
- RS-A9 (73 pages)
- GM-X564 (76 pages)
- PRS-A500 (62 pages)
- AVIC-S2 RU (45 pages)
- AVIC-S2 RU (153 pages)
- AVIC-S2 RU (84 pages)
- AVH-2300DVD (8 pages)
- AVH-2300DVD (64 pages)
- DEH-P6600R (103 pages)
- AVIC-F850BT (200 pages)
- AVIC-F50BT (2 pages)
- AVIC-F50BT (168 pages)
- AVIC-F50BT (132 pages)
- AVIC-F50BT (104 pages)
- AVIC-F50BT (180 pages)
- AVIC-F50BT (208 pages)
- AVIC-900DVD (190 pages)
- AVIC-900DVD (30 pages)
- AVIC-900DVD (74 pages)
- AVIC-900DVD (172 pages)
- AVH-P3400DVD (112 pages)
- AVH-1400DVD (8 pages)
- AVH-1400DVD (76 pages)
- AVH-1400DVD (76 pages)
- CNSD-110FM-Russian (32 pages)
- AVIC-F860BT (132 pages)
- AVIC-F860BT (216 pages)
- AVIC-F930BT (192 pages)
- AVIC-F940BT (28 pages)
- AVIC-F30BT (172 pages)
- AVIC-F30BT (100 pages)
- AVIC-F930BT (2 pages)
- AVIC-F30BT (208 pages)