American Dryer Corp. Gas/Electric/Steam ML-55HS User Manual
Page 27

23
3) 3-Phase (3ø) Wiring Connections/Hookup "REVERSING MODELS ONLY"
The electrical connections on ALL 3-phase (3ø) gas and steam dryers are made into the rear
service box located at the upper left area of the dryer. Electrical connections for electrically heated
dryers are made in the electric oven area located at the upper rear area of the dryer.
IMPORTANT: A separate circuit servicing each dryer must be provided.
If local codes permit, power to a gas or steam dryer can be made by the use of flexible U.L. listed
power cord/pigtail (wire size must conform to rating of dryer), or the dryer can be hard wired
directly to the service breaker panel. In ALL cases, a strain relief must be installed where the
wiring enters the dryer.
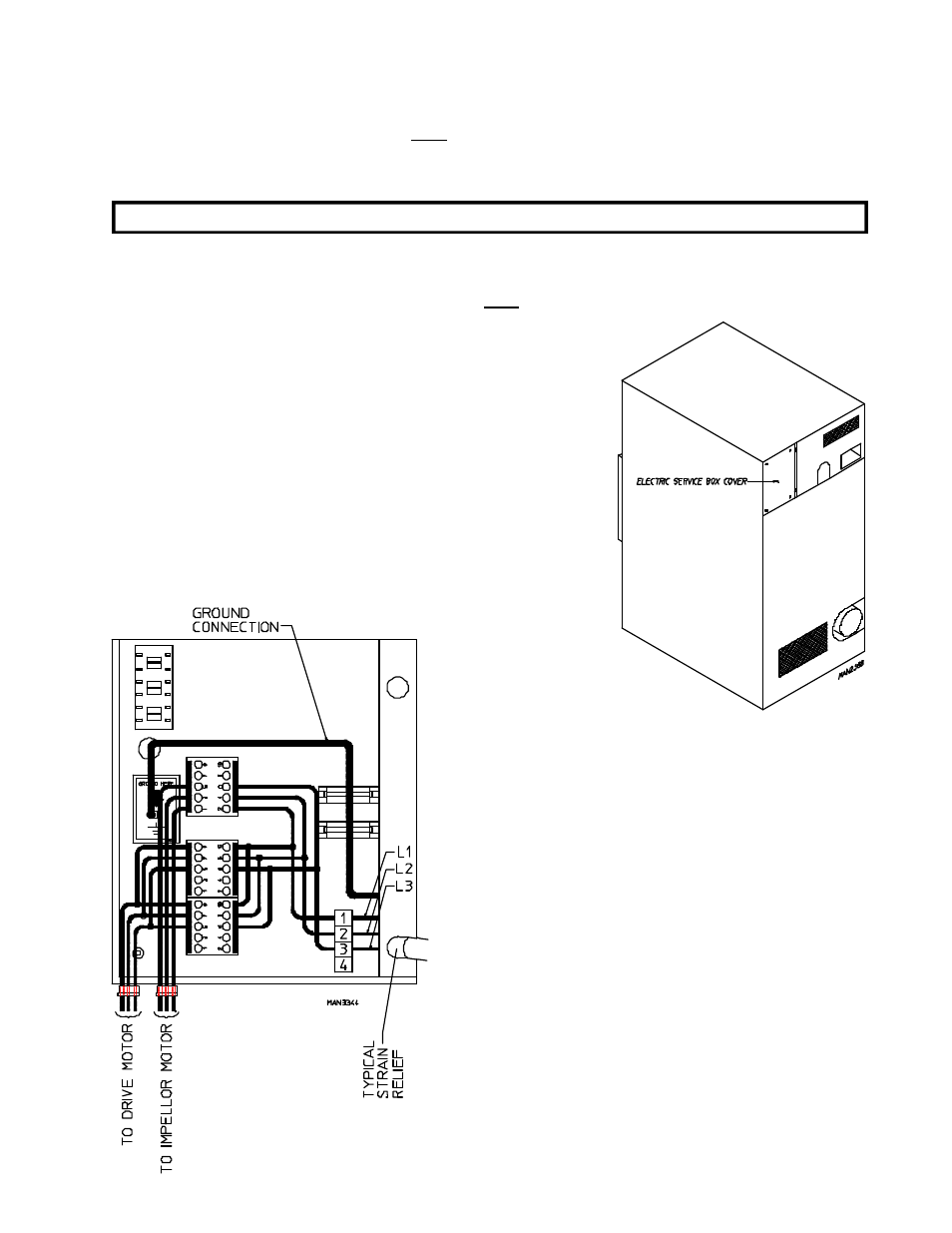
For gas and steam dryers manufactured for operation at
3-phase (3ø), the electrical connections are made at the power
distribution block located in the service box at the rear, upper
left corner of the dryer. The ground connection is made to
the copper lug also provided in this box. To gain access to the
service box contactor, the service box cover must be
removed.
The only electrical input connections to the dryer are the
3-phase (3ø) power leads (L1, L2, L3, and sometimes
neutral) and ground. Single-phase (1ø) power for the
control circuit is done internally to the dryer. No
single-phase (1ø) input connection is required on a 3-phase
(3ø) dryer.
