American Dryer Corp. Gas/Electric/Steam ML-55HS User Manual
Page 26

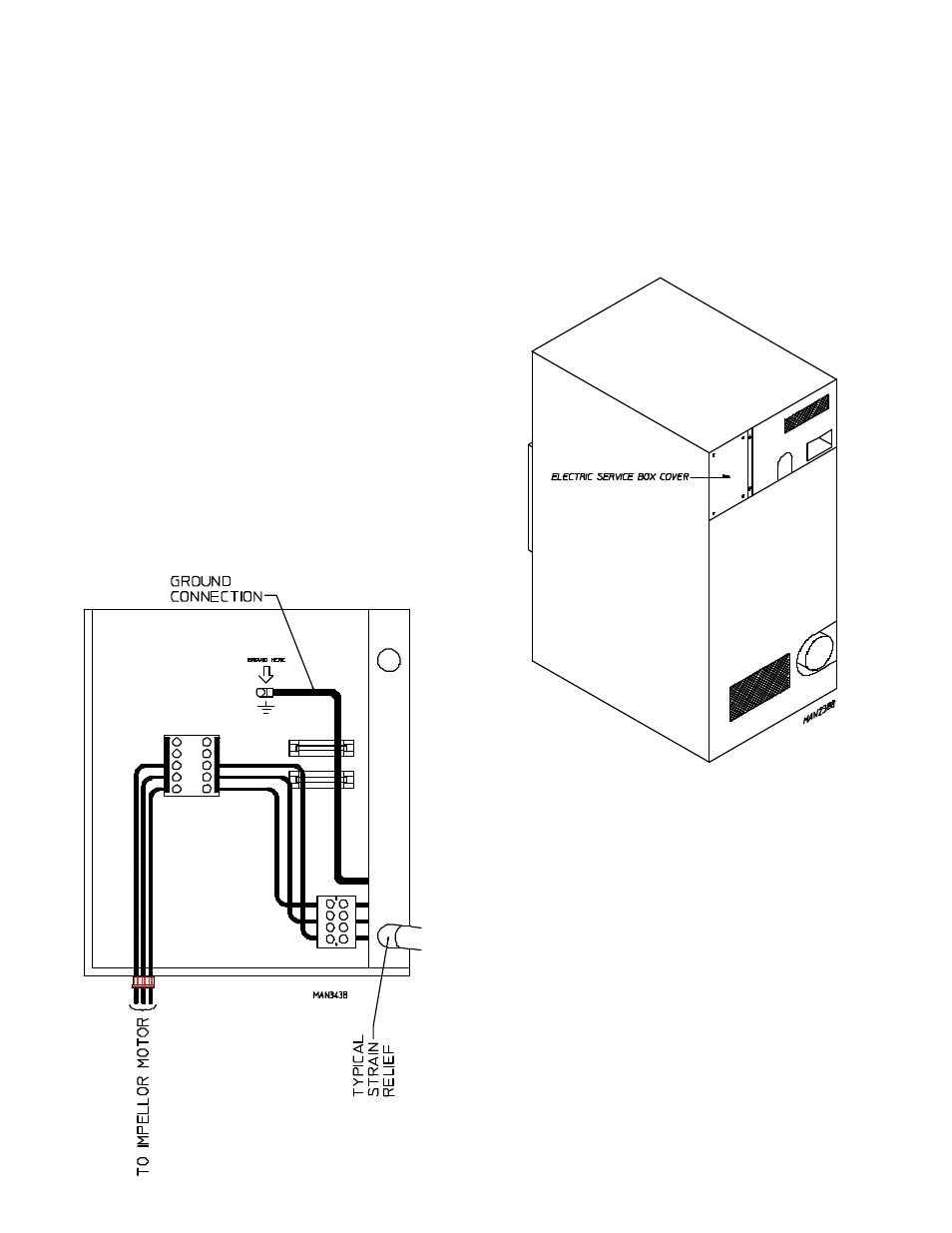
22
The only electrical input connections to the dryer are the 3-phase (3ø) power leads (L1, L2, L3, and
sometimes neutral) and ground. Single-phase (1ø) power for the control circuit is done internally to
the dryer. No single-phase (1ø) input connection is required on a 3-phase (3ø) dryer.
For gas and steam dryers manufactured for operation at 3-phase (3ø), the electrical connections are
made at the power distribution block located in the service box at the rear, upper left corner of the
dryer. The ground connection is made to the copper lug also provided in this box. To gain access to
the service box contactor, the service box cover must be removed.
See also other documents in the category American Dryer Corp. Dryers:
- SL2929 (8 pages)
- AD-15 Phase 7 (31 pages)
- ML-75DIII (65 pages)
- AD-236 (33 pages)
- AD-50V (61 pages)
- ML-96HS (38 pages)
- 75 lb (6 pages)
- SL2020 (8 pages)
- AD-758DV (52 pages)
- Aquatex AD-76 (36 pages)
- MDG-75 (66 pages)
- MLG-130DR (HSI) (45 pages)
- MLG31PCB (44 pages)
- AD-410 (72 pages)
- AD-75THS (49 pages)
- Direct Spark Ignition ADG-530DSi II (33 pages)
- MLG32PD3 (39 pages)
- ML-55 (52 pages)
- ML-96 (34 pages)
- ADG-410 (75 pages)
- ADG-320D (53 pages)
- Phase 7 Gas/Steam AD-464 (62 pages)
- AD-120ES (50 pages)
- AD-840 (47 pages)
- MDG31 (26 pages)
- D20 (37 pages)
- Aquatex AD-52 (37 pages)
- Phase 7 D30 (39 pages)
- 30 lb. Stacked Models (26 pages)
- ADH-120 (46 pages)
- ML-96D (43 pages)
- Super AD-50 (54 pages)
- ML-122 (52 pages)
- SL31 (12 pages)
- Super AD-30 (63 pages)
- MDG30V (52 pages)
- AD-670 (60 pages)
- SL31AD-15 (72 pages)
- ADS-464 II (80 pages)
- ML-190 (42 pages)
- Heat Reclaimer AD-170HR (20 pages)
- 50 lb. Single Pocket MDG50V (52 pages)
- 24 VAC Phase 5 AD-330 (40 pages)
- D75 (42 pages)
