Search
Directory
Brands
Amana manuals
Kiln
Gas Furnance S)8
Manual
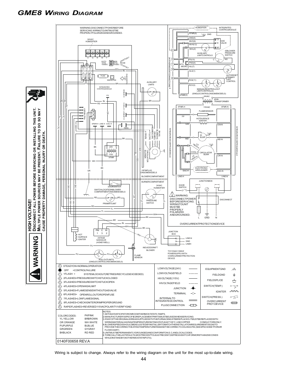
Gme8 w, Iring, Iagram – Amana Gas Furnance S)8 User Manual
Page 44
Text mode
Original mode
Gme8 w, Iring, Iagram | Amana Gas Furnance S)8 User Manual | Page 44 / 48
Pages:
1
…
42
43
44
45
46
…
48
wrong Brand
wrong Model
non readable
This manual is related to the following products:
Gas Furnance *M(H
Gas Furnance *D(H
Gas Furnance *HS8
Gas Furnance GME8
See also other documents in the category Amana Kiln:
VR8205
(29 pages)
Electric Smoothtop Range ACF4255A
(32 pages)
ARR6202
(28 pages)
EVENAIR AOCS3040
(32 pages)
ART6112
(28 pages)
Wall Oven
(68 pages)
8113P454-60
(84 pages)
GUD-X
(4 pages)
RS2320006
(39 pages)