Dimensions – Staub Electronics WPS-700-BUL-A WIREPATH - TRUE DAY_NIGHT OUTDOOR VARIFOCAL BULLET CAMERA (600 TVL, D-WDR) User Manual

Page 26

background image

26

WPS-500-BUL-A Installation Manual

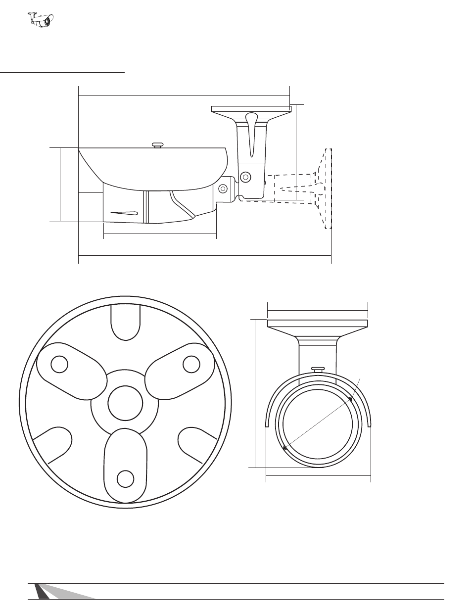
DIMENSIONS

4.43”

10.48”

2.68”

3.07”

3.56”

1.52”

8.85”

3.54”

2.86”

4.57"

FRONT VIEW

BOTTOM VIEW