Search
Directory
Brands
Staub Electronics manuals
Camcorders
WPS-700-BUL-A WIREPATH - TRUE DAY_NIGHT OUTDOOR VARIFOCAL BULLET CAMERA (600 TVL, D-WDR)
Manual
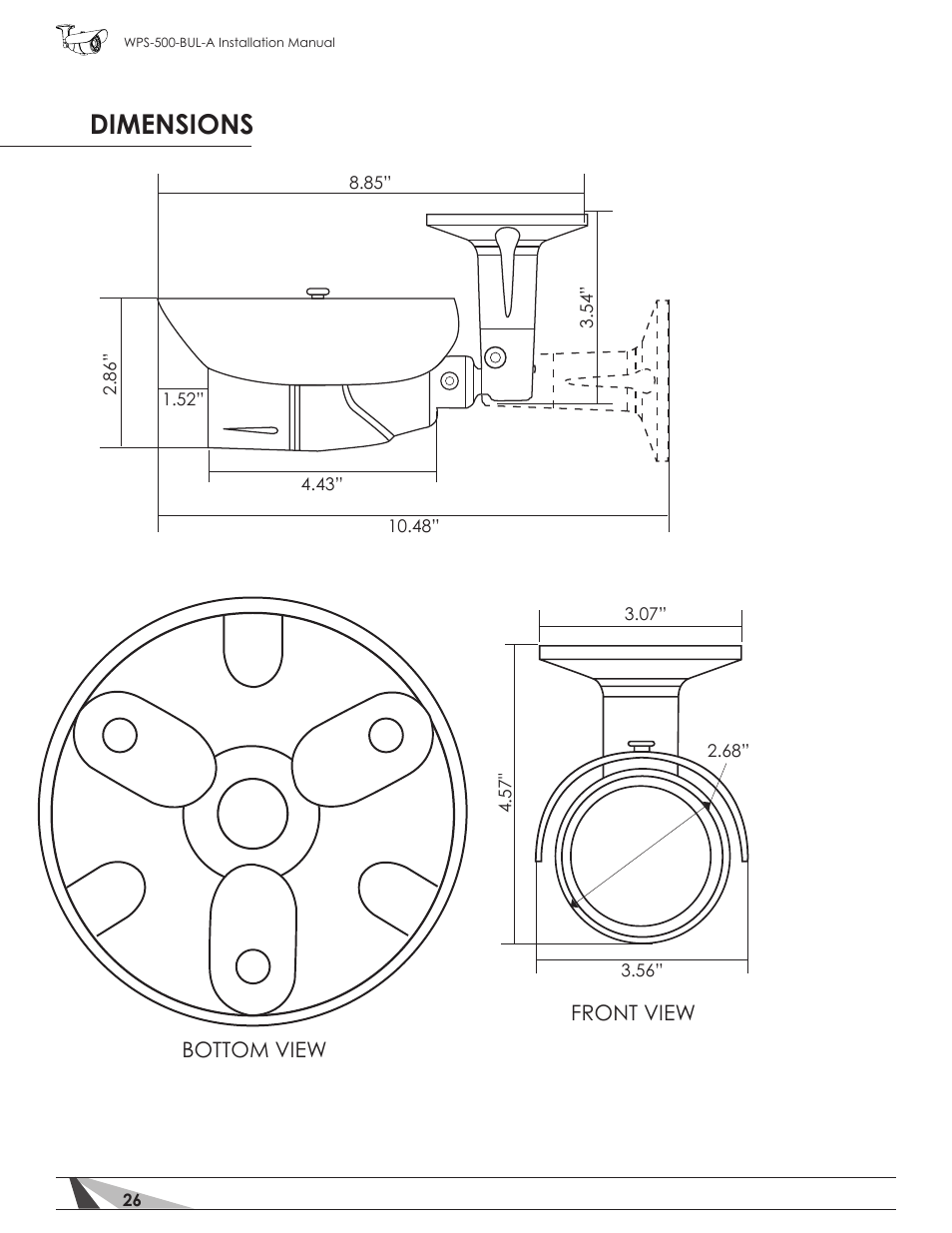
Dimensions – Staub Electronics WPS-700-BUL-A WIREPATH - TRUE DAY_NIGHT OUTDOOR VARIFOCAL BULLET CAMERA (600 TVL, D-WDR) User Manual
Page 26
Text mode
Original mode
Dimensions | Staub Electronics WPS-700-BUL-A WIREPATH - TRUE DAY_NIGHT OUTDOOR VARIFOCAL BULLET CAMERA (600 TVL, D-WDR) User Manual | Page 26 / 28
Pages:
1
…
23
24
25
26
27
28
wrong Brand
wrong Model
non readable
See also other documents in the category Staub Electronics Camcorders:
WPS-750-BUL-AH WIREPATH - SURVEILLANCE 750-SERIES BULLET ANALOG OUTDOOR CAMERA WITH IR AND HEATER (650TVL)
(32 pages)
WPS-550-BUL-A WIREPATH - SURVEILLANCE 550-SERIES BULLET ANALOG OUTDOOR CAMERA WITH IR (600 TVL)
(30 pages)
WPS-350-BUL-A WIREPATH - SURVEILLANCE 350-SERIES BULLET ANALOG OUTDOOR CAMERA WITH IR (550 TVL)
(14 pages)