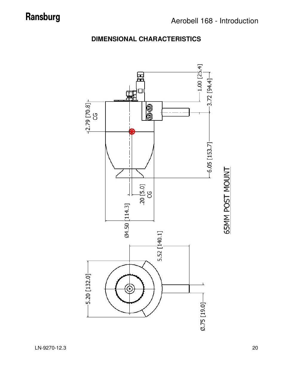
Aerobell 168 - introduction – Ransburg Aerobell 168 A12787 User Manual
Page 23
See also other documents in the category Ransburg Equipment:
- RCS 2 Ratio Control System (82 pages)
- DynaFlow Programmers Manual (59 pages)
- DynaFlow User Manual (100 pages)
- Vector Solo 79901 Waterborne RS90-WB (66 pages)
- Vector Solo 79900 Solventborne RS90-AS (64 pages)
- Vector_Solo Technical Manual (16 pages)
- Solo Installation & Set-Up Kit (8 pages)
- Vector Solo AA90 79698 (58 pages)
- Vector Solo 65KV 79965 Solventborne RS70-AS (60 pages)
- Vector R Series Classic 79503 R90 Solventborne (74 pages)
- Vector R Series Cascade 79500 R90 Solventborne (78 pages)
- Vector AA90 79580 Cascade (62 pages)
- No. 2 Process Handgun Electric Motor (61 pages)
- No. 2 Spray Techniques (16 pages)
- No. 2 Air Motor Atex Approved Unit 80086-XX (63 pages)
- 9060 HV P.S. Air Motor 80102-31X (36 pages)
- 9060 HV P.S. Electric Motor 80102-21X (42 pages)
- REA Automatic Applicators 77359, 76110, 77140 (66 pages)
- Evolver SE Robotic Atomizer A12455-XXXXXXXX (79 pages)
- 9060 LV Auto Cascade 80120-XXX (56 pages)
- 9060 HV Auto Classic 80100-XXX (56 pages)
- Turbodisk Applicator Assembly A11376 (78 pages)
- Turbodisk Fairing Assembly 70158 (17 pages)
- MMA-303 Direct_Ind Test Stand (26 pages)
- MMA-303 Direct_Ind Charge Atomizer A12870 (132 pages)
- MMA-570 Direct_Ind Charge Atomizer A13366 (109 pages)
- Aerobell (Std.) Rotary Atomizer A12381 (89 pages)
- 9040 Aerobell Control Module 78387-00 (33 pages)
- Aerobell 33 AER5000, AER5001 (57 pages)
- Aerobell 168 Atex Approved 13350 (106 pages)
- RPA-2 Powder Applicator A12950-XXX (47 pages)
- RMA Indirect A11600 (103 pages)
- RMA Indirect A12869 (121 pages)
- Test Stand RMA-303, EVOLVER, EVOLVER NE (28 pages)
- RMA Dual Purge Direct A12300 (116 pages)
- RMA Dual Purge Direct A12868 (120 pages)
- RMA-560 Single_Dual Purge Direct A13364 (104 pages)
- RMA Direct A12867 (118 pages)
- Evolver Solvent Robot Applicator 79190-XXXXXXXX (82 pages)
- Evolver 303 Solvent Applicator A11976-XXX (85 pages)
- Evolver 303 Dual Purge Solvent Robotic Applicator A12374-XXX (86 pages)
- Evolver MicroPak Controller A10406 (37 pages)
- Voltage Master 2 78789_LEPS5001 (51 pages)
- PulseTrack2 A11515-XXXXX (58 pages)
