Vishay semiconductors, Preliminary, Dimensions in millimeters – C&H Technology VS-GT300TX120U User Manual
Page 8

Preliminary
VS-GT300TX120U
www.vishay.com
Vishay Semiconductors
Revision: 19-Jul-13
7
Document Number: 93616
For technical questions within your region:
,
,
THIS DOCUMENT IS SUBJECT TO CHANGE WITHOUT NOTICE. THE PRODUCTS DESCRIBED HEREIN AND THIS DOCUMENT
ARE SUBJECT TO SPECIFIC DISCLAIMERS, SET FORTH AT
www.vishay.com/doc?91000
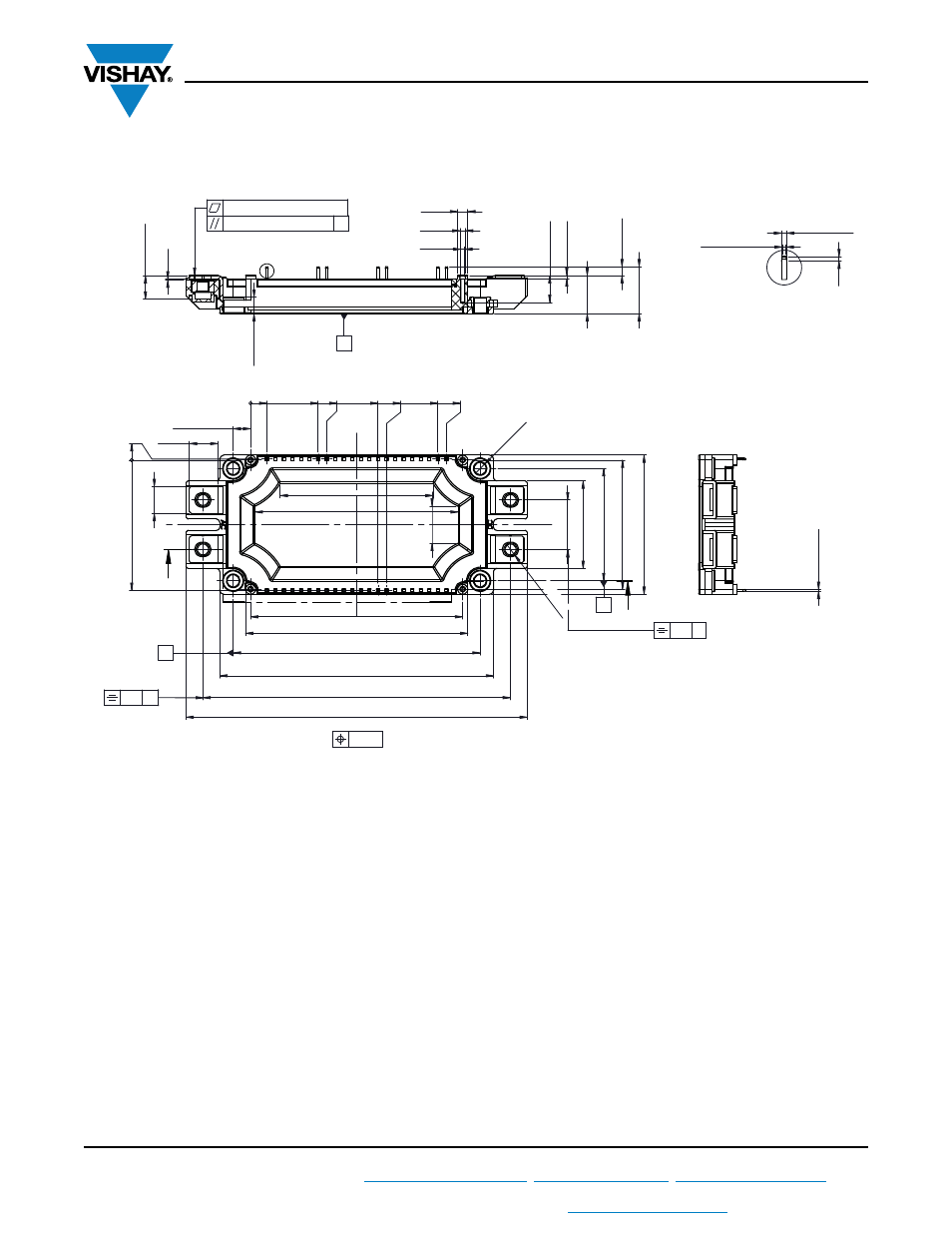
DIMENSIONS in millimeters
110 ± 0.2
99 ± 0.3
152
- 0.5
0
137 ± 0.4
122
- 0.3
0
62
- 0.5
+ 0.2
57.5 ± 0.3
50 ± 0.2
39 ± 0.3
22 ± 0.2
12 ± 0.2
7.75 ± 0.1
Ø 5.5
- 0.3
+ 0.1
12.7
0
7.25
30.11
33.92
56.78
60.59
83.45
87.26
57.96
0
0.46
A
A
2
3
4
1
6
7
8
9
11
10
0.3
C
B
C
0.8 ± 0.03
Ш 1.8
Ш 2.5
Ш 4.5
1.5 ± 0.2
12 ± 0.5
20.95
3.95 ± 0.5
10.5 ± 0.5
7.3 ± 0.2
0.5
0.3 power leads 1-2-3-4
0.2 each power leads
A
A
1.15 ± 0.03
0.87 ± 0.03
Scale 2:1
1
5
Pin position tolerance
0.3
B
Ø 0.5
94.5 ± 0.3
16.5
90.5
68.1
17 ± 0.5
X
M6 x 4
- TDK4_ _3302 (5 pages)
- CM75TL-12NF (5 pages)
- PM600HSA120 (5 pages)
- GLI......A (4 pages)
- PM600DVA060 (5 pages)
- VSKDS408-060 (10 pages)
- G200 (5 pages)
- VS30ASR..N Series (2 pages)
- LPS1100 (6 pages)
- PM50CL1B120 (6 pages)
- CPS (3 pages)
- PM200DSA060 (7 pages)
- RM400HA-34S (5 pages)
- VS-GB100TH120U (8 pages)
- PP300B120 (8 pages)
- PP400B060 (8 pages)
- PM100RLA060 (7 pages)
- PM25RL1A120 (8 pages)
- VS210DG..HCB Series (3 pages)
- RTO20 (5 pages)
- PM50B4LB060 (7 pages)
- VS-GT100DA120U (11 pages)
- PM200RLA060 (7 pages)
- ST380CHPbF Series (8 pages)
- RM1200DB-66S (11 pages)
- GB70NA60UF (6 pages)
- VS255SG..HCB Series (3 pages)
- EMF050J60U (18 pages)
- HFA30TA60CSPbF (6 pages)
- PM50CLB120 (5 pages)
- MBR10.. Series (7 pages)
- VS-GB300LH120N (7 pages)
- LTO100 (5 pages)
- ST303CLPbF Series (9 pages)
- PM100CVA060 (7 pages)
- ST230CPbF Series (8 pages)
- QR_1220T30 (5 pages)
- VS230LM06CS02CB (3 pages)
- ST303CPbF Series (9 pages)
- TDK4_ _3002 (5 pages)
- HFA240NJ40CPbF (8 pages)
- CT220802 (5 pages)
- VS-UFL130FA60 (8 pages)
- GB05XP120KTPbF (11 pages)
- VS-GT75NP120N (7 pages)
