Anschlussschema – Pioneer PRS-D3000SPL User Manual
Page 35

6
ENGLISH
ESPAÑOL
DEUTSCH
FRANÇAIS
ITALIANO
NEDERLANDS
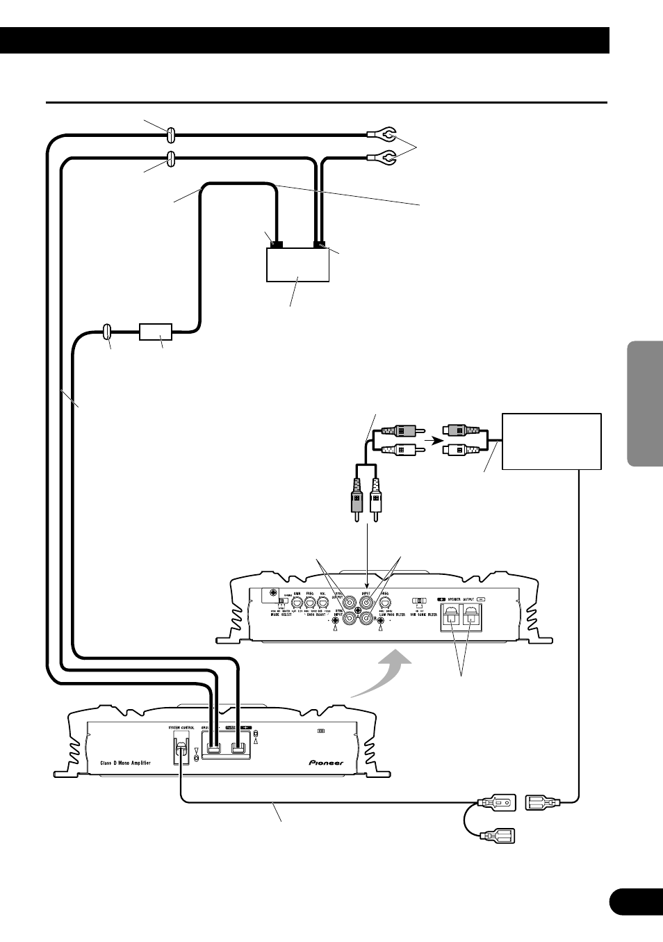
Anschlussschema
Tülle
Batteriekabel (im Handel erhältlich)
Bezüglich Drahtstärke siehe
Abschnitt “Anschluss der
Stromversorgung”. Batteriekabel,
Massekabel und das optionale
Direktmassekabel müssen dieselbe
Stärke haben.
Nachdem alle anderen Anschlüsse
am Verstärker ausgeführt worden
sind, das Batterie-Kabelklemme des
Verstärkers mit der positiven (+)
Klemme der Batterie verbinde.
Massekabel (im Handel erhältlich)
Die Massekabel müssen dieselbe
Stärke wie das Batteriekabel haben.
An Fahrzeugkarosserie oder
Metallteil anschließen.
Autostereo mit
RCA-
Ausgangsbuchsen
Externer Ausgang
(Subwoofer-Ausgang)
Anschlusskabel mit RCA-
Stiftsteckern (im Handel erhältlich).
RCA-Eingangsbuchsen
Lautsprecherklemmen
Siehe Abschnitt:
“Anschließen der
Lautsprecherkabel” für
Einzelheiten bezüglich des
Lautsprecheranschlusses.
System-Fernbedienungskabel (im Handel erhältlich)
Den Stecker dieses Kabels an die System-Fernbedienungsbuchse der Auto-
Stereoanlage anschließen (SYSTEM REMOTE CONTROL).
Die Buchse kann am Auto-Antennen-Relais-Anschluss angeschlossen werden.
Sollte das Autostereo nicht über einen Fernbedienungs-Systems-Regler-Anschluss
verfügen, schließen Sie das Steckteil am Stromanschluss des Zündschalters an.
Tülle
Rückseite
Die maximale Länge
des Kabels zwischen
Sicherung und Pluspol
(+) der Batterie beträgt
45 cm.
Pluspol (+)
Minuspol (–)
Batterie
Optionales
Direktmassekabel
(im Handel erhältlich)
Wenn Chassis-Erdung
nicht ausreicht, sollte
Direkterdung
eingesetzt werden. Die
Drahtstärke muss mit
der des Batteriekabels
identisch sein.
Sicherung (100 A)
Jeder Verstärker muss GETRENNT mit
100 A abgesichert sein.
SYNC OUTPUT /
SYNC INPUT-Buchse
Bezüglich Anweisungen
zur Belegung der SYNC
OUTPUT / SYNC
INPUT-Buchse siehe
Abschnitt “Anschließen
der Lautsprecherkabel”.
Tülle