Connections, Basic connection for monitoring or recording – Sanyo VCC-4115P User Manual
Page 8

English
7
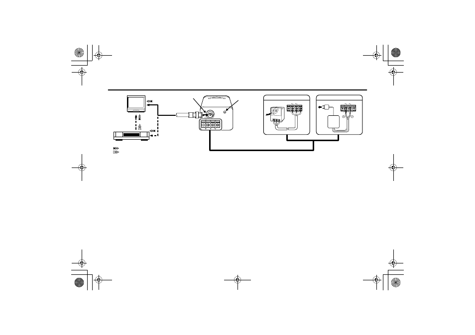
CONNECTIONS
Basic connection for monitoring or recording
The peripheral devices (VCR, monitor, lens, etc.), AC
adaptor and cables are sold separately.
1
Make the video signal connection between the camera
and the monitor or time lapse VCR.
2
Connect the power supply.
• If using a commercially-available 24 V AC adapter,
always be sure to connect the ground wire (18AWG or
higher) to the ground terminal. (Figure 1)
• If using a 12 V DC power supply, make the connections
as shown in Figure 2.
Note:
• In order to avoid any problems with the camera and the
power supply, take sufficient care to ensure that the
polarities are correct when connecting the power supply.
3
Insert the plug of this power cord into a wall outlet.
The POWER indicator (A) will light. Adjust the picture on
the monitor using the Brightness and Contrast controls etc.
■
■
■
■
Coaxial cable type and maximum length
• Cable type RG-59U (3C-2V), 250 m maximum.
• Cable type RG-6U (5C-2V), 500 m maximum.
• Cable type RG-11U (7C-2V), 600 m maximum.
CAUTION:
• The RG-59U type cable should not be run through electrical
conduits or through the air.
• Use CCTV/Video-grade coaxial cable.
GND AC24V
DC12V
GND AC24V
DC12V
(Video signal connections)
: VIDEO IN
: VIDEO OUT
(A)
1
24 V AC connection
Figure 1
Figure 2
12 V DC connection
vcc4115p(gb).fm 7 ページ 2002年9月5日 木曜日 午後4時0分