카메라에 연결, Pc에 연결, Pc 에 연결 – JVC CU-VD10 User Manual
Page 95

KR
5
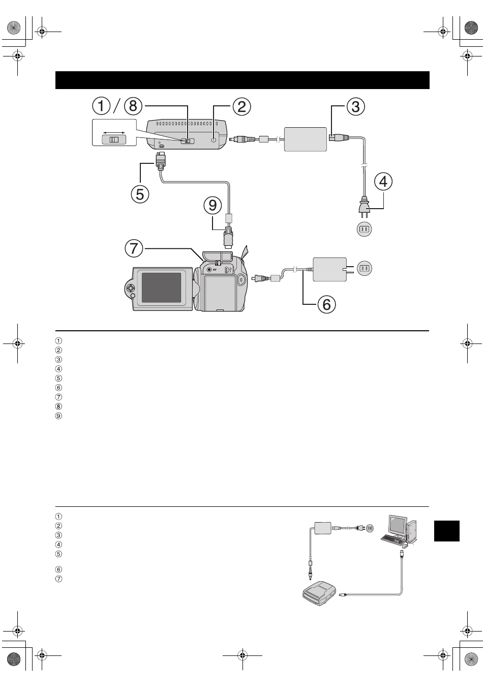
연결
OFF ON
USB 케이블
AC 어댑터
( 버너에 제공 )
전원
코드
AC 콘센트에 연결
AC 어댑터
( 카메라에 제공 )
DC 커넥터에 연결
DC 커넥터에 연결
USB 커넥터에 연결
USB 커넥터에 연결
하드
디스크 카메라
버너의
후면
카메라에 연결
버너의
전원 스위치가 꺼져 있는지 확인합니다 .
AC 어댑터를 버너에 연결합니다 .
전원
코드를 AC 어댑터에 연결합니다 .
전원
코드를 AC 콘센트에 연결합니다 .
제공된
USB 케이블을 버너의 USB 커넥터에 연결합니다 .
카메라를
AC 콘센트에 연결합니다 . (
੬ 카메라의 사용 설명서를 참조하십시오 .)
카메라를
켭니다 .
버너를
켭니다 . 버너 정면에 녹색 등이 켜집니다 .
제공된
USB 케이블을 카메라의 USB 커넥터에 연결합니다 .
주 :
● 카메라에 [ 디스크 삽입 ] 가 표시된 후에 디스크를 삽입하십시오 .
● 제공된 USB 케이블을 사용하여 버너와 카메라를 연결하십시오 .
● 카메라를 사용할 때 배터리가 아니라 AC 어댑터로 전원을 공급하도록 하십시오 .
● 디스크에 쓰는 도중에 카메라나 버너에 진동이나 기계적 충격이 가해지지 않도록 하십시오 . 특히 쓰기 중에 카메라가 버너 위에 있을 때 주
의하십시오
.
● 디스크 쓰기에 대해서는 설명서의 "DVD 디스크에 비디오 파일 더빙하기" 를 참조하십시오 .
● 일부 DVD 레코더/플레이어에서는 이 장치로 기록된 DVD 디스크를 재생할 수 없습니다. 이 경우 카메라의 [확인할 DVD 재생]를 사용하여
디스크를
재생하십시오 .
PC 에 연결
버너의
전원 스위치가 꺼져 있는지 확인합니다 .
AC 어댑터를 버너에 연결합니다 .
전원
코드를 AC 어댑터에 연결합니다 .
전원
코드를 AC 콘센트에 연결합니다 .
버너를
켭니다 .
버너
정면에 녹색 등이 켜집니다 .
PC 를 켭니다 .
USB 케이블로 버너를 PC 에 연결합니다 .
주 :
버너에
PC 에 연결하려면 카메라와 함께 제공된 USB 케이블을 사용하십시오 .
USB 케이블
( 카메라에 제공 )
AC 어댑터
( 버너에 제공 )
전원
코드
CU-VD10_Instruction_KR.fm Page 5 Thursday, February 9, 2006 10:54 PM
