連接至攝影機, 連接至個人電腦 – JVC CU-VD10 User Manual
Page 107

中文繁體
5
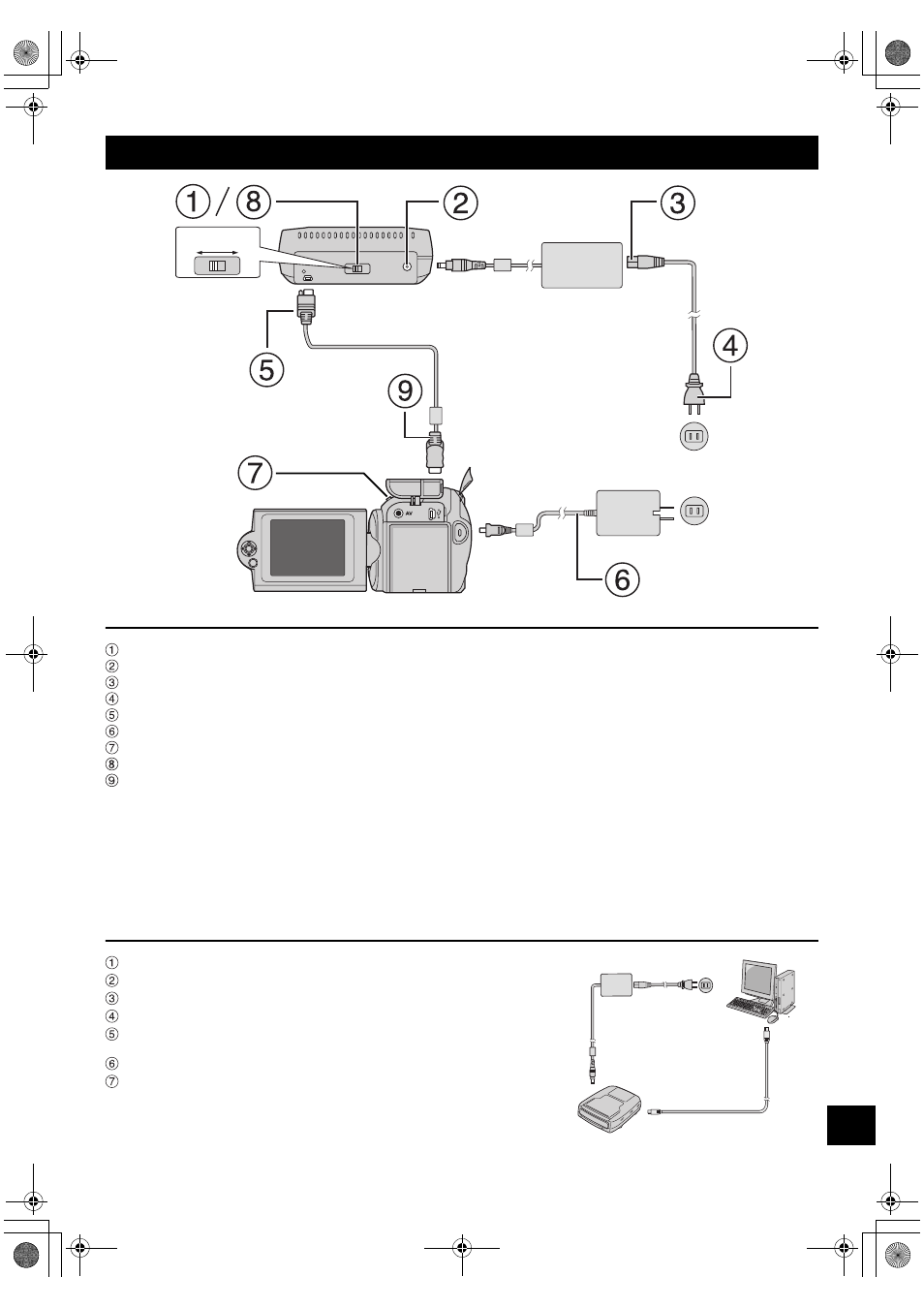
連接至攝影機
請確認本燒錄器之電源開關是否關閉。
請將交流電
(AC) 轉接器連接至本燒入器。
請將電源線連接至交流電
(AC) 轉接器。
請將電源線連接至交流電
(AC) 插座。
使用本產品所提供的
USB 訊號線,連接燒錄器的 USB 連接器。
請將攝影機接至交流電
(AC) 插座。 (
੬ 請參考攝影機指導手冊。)
啟動攝影機。
啟動本燒錄器。
本燒錄器前方之亮燈顏色為綠色。
使用本產品所提供的
USB 訊號線,連接攝影機的 USB 連接器。
註 :
● [ 插入光碟片 ] 顯示在攝影機後,請插入光碟。
● 務必使用本產品所提供的 USB 訊號線,連接本燒錄器與攝影機。
● 使用攝影機時,請確認電源部分應配有交流電 (AC) 轉接器,並不是電池。
● 在將資料寫入至光碟片時,請勿震動或以機械撞擊攝影機與燒錄器。如果攝影機置放於正在寫入資料的燒錄器上,請特別留意。
● 欲燒錄光碟,請參考手冊的
“
將影像檔案複製至
DVD 光碟
"
。
● 有些 DVD 錄影機 / 播放機無法播放利用本機體燒錄的 DVD 光碟。在此情況下,用攝影機的 [ 播放 DVD 進行檢查 ] 功能來播放光碟。
連接至個人電腦
請確認本燒錄器之電源開關是否關閉。
請將交流電
(AC) 轉接器連接至本燒錄器。
請將電源線連接至交流電
(AC) 轉接器。
請將電源線連接至交流電
(AC) 插座。
啟動本燒錄器。
本燒錄器前方之亮燈顏色為綠色。
啟動個人電腦。
請用
USB 訊號線將本燒錄器連接至個人電腦。
註 :
若要將本燒錄器連接至個人電腦,請使用攝影機所附的
USB 訊號線。
規格
OFF ON
USB 線
交流
(AC) 轉接器
( 本燒錄器提供的配件 )
電源線
連接至交流電
(AC) 插座
交流
(AC) 轉接器
( 攝影機提供的配件 )
連接至直流電
(DC)
連接器
連接至直流電
(DC)
連接器
連接至
USB 連接器
連接至
USB 連接器
硬碟式攝影機
本燒錄器之後面板
USB 線
( 攝影機提供的配件 )
交流
(AC) 轉接器
( 本燒錄器提供的配件 )
電源線
CU-VD10_Instruction_CT.fm Page 5 Thursday, February 9, 2006 7:03 PM
- XV-N652S (28 pages)
- XV-NA77SL (54 pages)
- HR-XV1EU (64 pages)
- XV-S300BK (54 pages)
- XV-N55SL (75 pages)
- XV-NP1SL (40 pages)
- XV-N412S (38 pages)
- XV-N33SL (35 pages)
- XV-N35SL (34 pages)
- XV-N342 (2 pages)
- XV-N422SE (2 pages)
- DR-MV5SE (100 pages)
- DR-MH300SEK (116 pages)
- HR-XVC40B (37 pages)
- TV 20240 (36 pages)
- HR-XVS44UJ (92 pages)
- CU-VD20AC (9 pages)
- XV-501BK (104 pages)
- TV-20F243 (60 pages)
- DR-MV150B (6 pages)
- HR-XV48EK (72 pages)
- XV-K503TN (109 pages)
- GNT0013-014A (60 pages)
- XV-N512S (47 pages)
- xv-thm45 (68 pages)
- XV-SA70BK (75 pages)
- LYT1221-001A (64 pages)
- XV-N370B (97 pages)
- XV-C3SL (177 pages)
- BR-DV3000 (72 pages)
- XV-521 (1 page)
- HR-XVC18BUS (42 pages)
- BD-X201M (45 pages)
- XV-N22S (36 pages)
- LD-HD2KU (20 pages)
- XV-FA92SL (74 pages)
- HR-XVC15U (64 pages)
- XV-LTR1 (50 pages)
- DR-MV2SEU (76 pages)
- XV-N422 (2 pages)
- CU-VD20AA (136 pages)
- DR-MH220SE (58 pages)
- 2B00401C (60 pages)
- LPT0822-001A (41 pages)
- HR-XV45SEK (43 pages)
