Search
Directory
Brands
Multiquip manuals
For the car
60HZ GENERATOR DCA25SSIU3
Manual
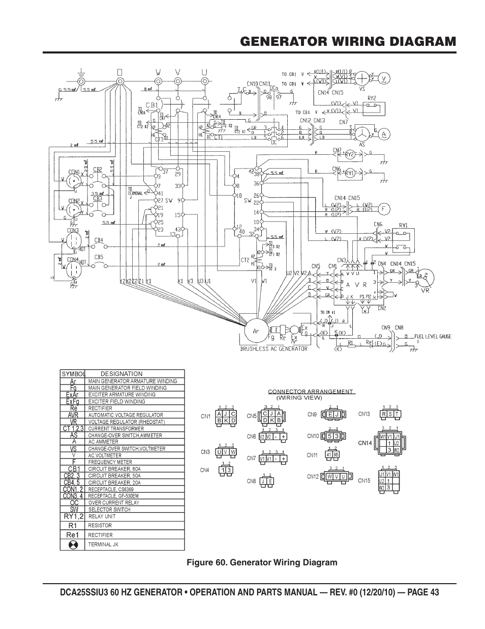
Generator wiring diagram – Multiquip 60HZ GENERATOR DCA25SSIU3 User Manual
Page 43
Text mode
Original mode
Generator wiring diagram | Multiquip 60HZ GENERATOR DCA25SSIU3 User Manual | Page 43 / 76
Pages:
1
…
41
42
43
44
45
…
76
wrong Brand
wrong Model
non readable
This manual is related to the following products:
DCA25SSIU3
See also other documents in the category Multiquip For the car:
Tamping Rammer Mikasa MT-86D
(50 pages)
TRASH PUMP (hatz 1B40u-2203a diesel engine) Qp4tZtMpXF
(118 pages)
Control Box Replacement LS600
(8 pages)
Mikasa Series Tamping Rammer MTX80
(66 pages)
Trash Pump QP3TY
(56 pages)
Nighthawk Series Dedicated Light Tower LT12D
(58 pages)
MQ Power Whisperwatt 60HZ Generator DCA150USJ2
(102 pages)
Trash Pump QP4TZ
(92 pages)