Connections with the ak-hc910 series, Connections – Panasonic AW-PH650 User Manual
Page 27
Attention! The text in this document has been recognized automatically. To view the original document, you can use the "Original mode".

Connections
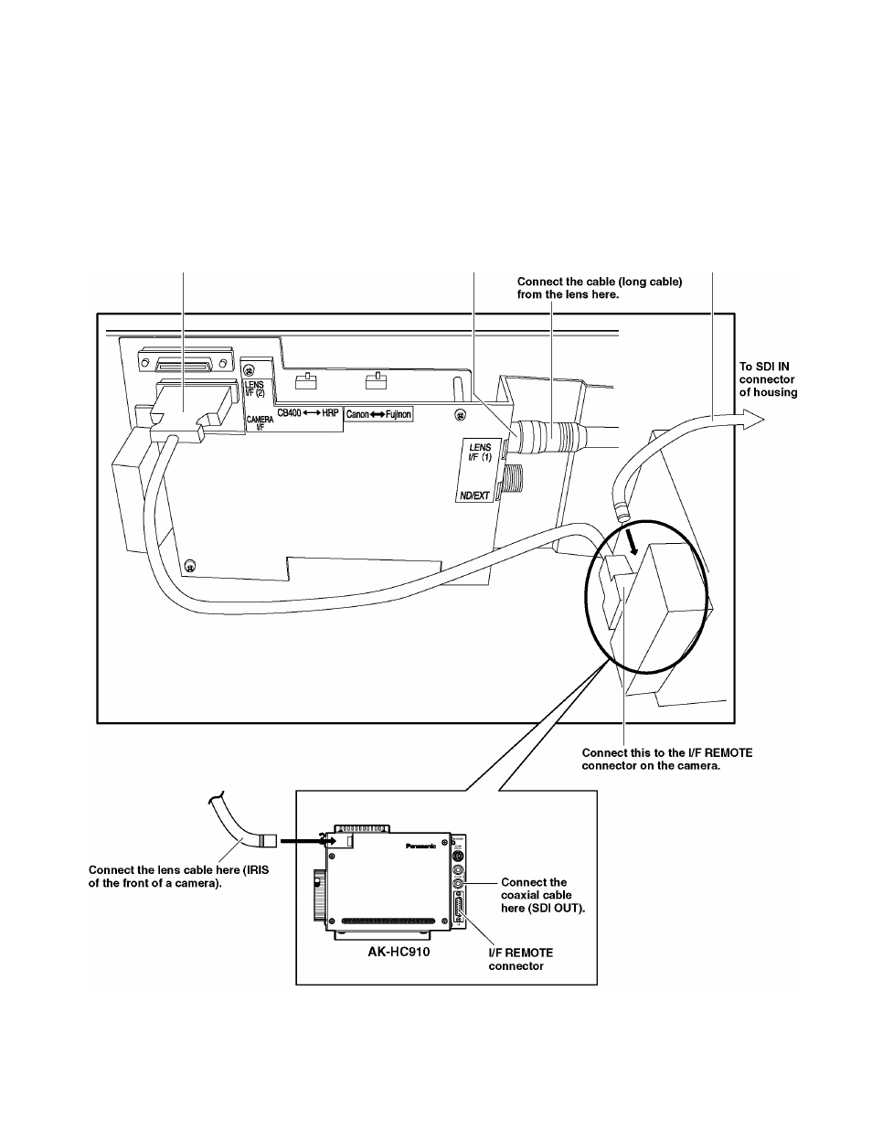
2. Connections with the AK-HC910 series
In order to faoilitate the oonneotion prooedure, stow the oamera after oonneoting its l/F REMOTE oonneotor.
(Partioularly when using a large lens, this oonneotor must be oonneoted before the oamera is stowed.)
® Use the supplied oamera oable for these oonneotions.
@ Provide a ooaxial oable [approx. 1 m long]. (Size: 3C-FB or equivalent)
@ Upon oompletion of the oonneotions, bundle the routed oables together using the oable ties (supplied), making sure that the
oables will not be plaoed near a heater or fan.
Connect the cable for the AK-HC910
to the CAMERA l/F connector.
Connect the ZOOM/FOCUS cable from the
lens to the LENS l/F (1) connector.
Coaxial cable
26 (E)
