Air Health Air+Health AH-1 User Manual
Page 12

Page 12
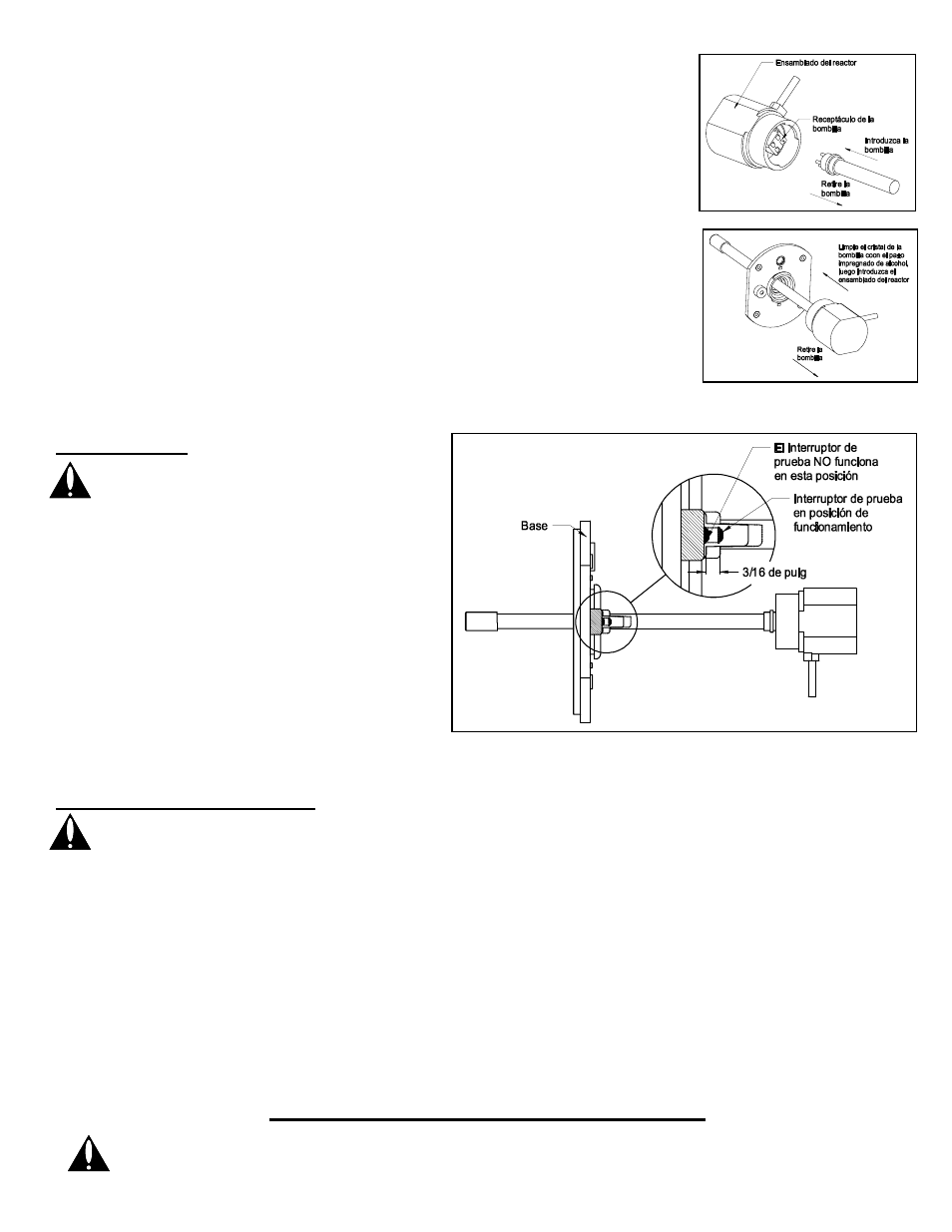
7. Instale la bombilla en el reactor. No toque la bombilla con las manos. Los aceites en
las manos tienden para acortar intensidad del bulbo. (Consulte la figura 4)
8. Limpie el cristal de la bombilla con el paño impregnado del alcohol proporcionado.
Luego, introduzca la bombilla en el agujero central en la base de montaje.
(Consulte
la figura 5.) El cable de energía debe estar a un ángulo de 90° en relación con la mirilla de
la base de montaje
.
9.
Con el reactor presionado contra la base de montaje, gírelo 90° hacia la derecha
.
10. Enchufe el cable en una toma de corriente de pared estándar. Revise el
funcionamiento de la bombilla a través de la mirilla. NOTA: La mirilla es de cristal y
no permitirá que los rayos ultravioleta de la banda C la traspasen.
En el conducto debe
aparecer un brillo azul
.
11.
Si no ve el brillo azul, asegúrese de que la base esté debidamente instalada en el
conducto. Hay un interruptor de prueba ubicado en la base que se debe fijar
debidamente en el conducto. Cerciórese de que cuando se monta la base que la
arandela plateada en el interruptor se levanta el aproximadamente 3/16"y el
interruptor se contrata completamente. (Consulte la figura 6.)
12. Con cinta para conductos corriente o un material similar, selle todas las juntas u orificios
del pleno cerca del sitio de montaje para reducir la exposición a la luz
.
MANTENIMIENTO
ADVERTENCIA:
Desenchufe la unidad de la
toma de corriente antes de iniciar la inspección y
limpieza
.
NOTA:
Utilice guantes protectores desechables
que no absorban líquidos antes de realizar el
procedimiento de inspección, en caso de que el
cristal se rompa accidentalmente
.
1.
Se recomienda inspeccionar y limpiar la bombilla por
lo menos cada 6 meses, según el entorno de su
casa, condición de los filtros convencionales,
duración y ciclo de reemplazo
.
2.
Para mantener la máxima intensidad de salida de la
bombilla, reemplace la bombilla del sistema de
purificación de aire Phase 2™ cada año, según el
entorno de su casa, siguiendo el procedimiento que
se describe a continuación.
La bombilla debe
funcionar continuamente para obtener la máxima
duración de la bombilla y efectividad de la luz
.
PROCEDIMIENTO DE REEMPLAZO
ADVERTENCIA:
Desenchufe la unidad de la toma de corriente de pared antes de iniciar el procedimiento de
reemplazo
.
NOTA:
Utilice guantes protectores desechables que no absorban líquidos antes de realizar el procedimiento de
reemplazo, en caso de que el cristal se rompa accidentalmente
.
1. Gire el ensamblado del reactor Air+Health™ hacia la izquierda hasta que se detenga. (Consulte la figura 7.)
2. Retire el ensamblado del reactor y la bombilla de la base de montaje. (Consulte la figura 5.)
3. Retire la bombilla del receptáculo. (Consulte la figura 4.)
4. Instale la bombilla de reemplazo en el receptáculo. No toque la bombilla con las manos. Los aceites en las manos
tienden para reducir intensidad del bulbo.
5.
Limpie el cristal de la bombilla con el paño impregnado del alcohol proporcionado
.
6. El cable de energía del ensamblado del reactor debe estar a un ángulo de 90° en relación a la mirilla de la base de
montaje. (Consulte la figura 7.)
7. Deslice la bombilla a través del agujero en la base de montaje. (Consulte la figura 5.)
Figura 4
Figura 5
Figura 6
ADVERTENCIA: Nunca exponga los ojos o piel a la luz ultravioleta de ninguna fuente. El mirar directamente a la luz
ultravioleta puede lesionar permanentemente los ojos o hasta quedar ciego. Nunca haga funcionar el sistema de
purificación de aire Air+Health™ fuera del pleno. Evite tocar el cristal de la bombilla con las manos.
