Search
Directory
Brands
hussmann manuals
Refrigerators
GSVM
Manual
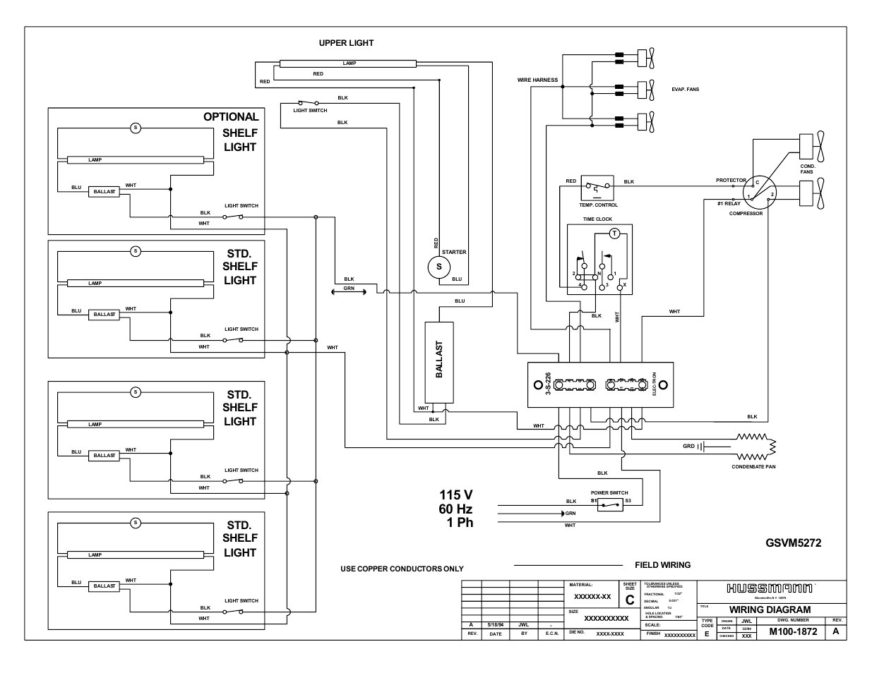
1 ph, Shelf, Light shelf std – hussmann GSVM User Manual
Page 21: Optional shelf light, Gsvm5272, Light, Shelf std, Wiring diagram, Upper light, Field wiring
Text mode
Original mode
1 ph, Shelf, Light shelf std | Optional shelf light, Gsvm5272, Light, Shelf std, Wiring diagram, Upper light, Field wiring | hussmann GSVM User Manual | Page 21 / 22
Pages:
1
…
17
18
19
20
21
22
wrong Brand
wrong Model
non readable
See also other documents in the category hussmann Refrigerators:
P/N 0420057_B
(46 pages)
FMSS-L
(25 pages)
P/N 0387183_D
(40 pages)
INNOVATOR P/N 0425683F
(27 pages)
RGSSFP
(18 pages)