Cadillac 2006 Escalade EXT User Manual
Page 360

Notice: If the jumper cables are connected or
removed in the wrong order, electrical shorting may
occur and damage the vehicle. The repairs would
not be covered by your warranty. Always connect
and remove the jumper cables in the correct
order, making sure that the cables do not touch
each other or other metal.
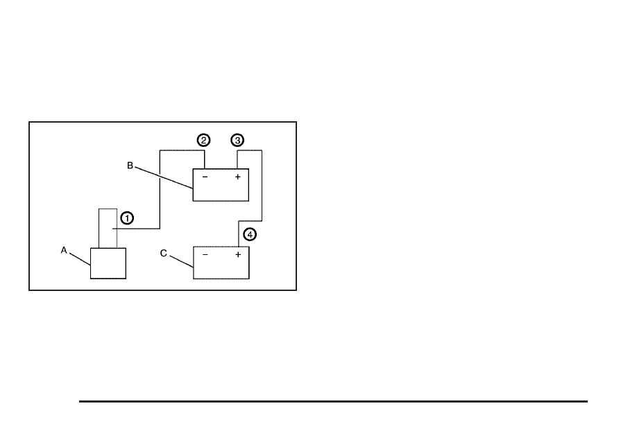
A. Heavy, Unpainted Metal Engine Part or Remote
Negative (
−
) Terminal
B. Good Battery or Remote Positive (+) and
Negative (
−
) Terminals
C. Dead Battery or Remote Positive (+) Terminal
To disconnect the jumper cables from both vehicles do
the following:
1. Disconnect the black negative (
−
) cable from the
vehicle that had the dead battery.
2. Disconnect the black negative (
−
) cable from the
vehicle with the good battery.
3. Disconnect the red positive (+) cable from the
vehicle with the good battery.
4. Disconnect the red positive (+) cable from the
other vehicle.
5. Return the positive (+) remote terminal cover,
if equipped, to its original position.
Jumper Cable Removal
5-44
