Quoizel KY5006IB Kyle User Manual
Page 2

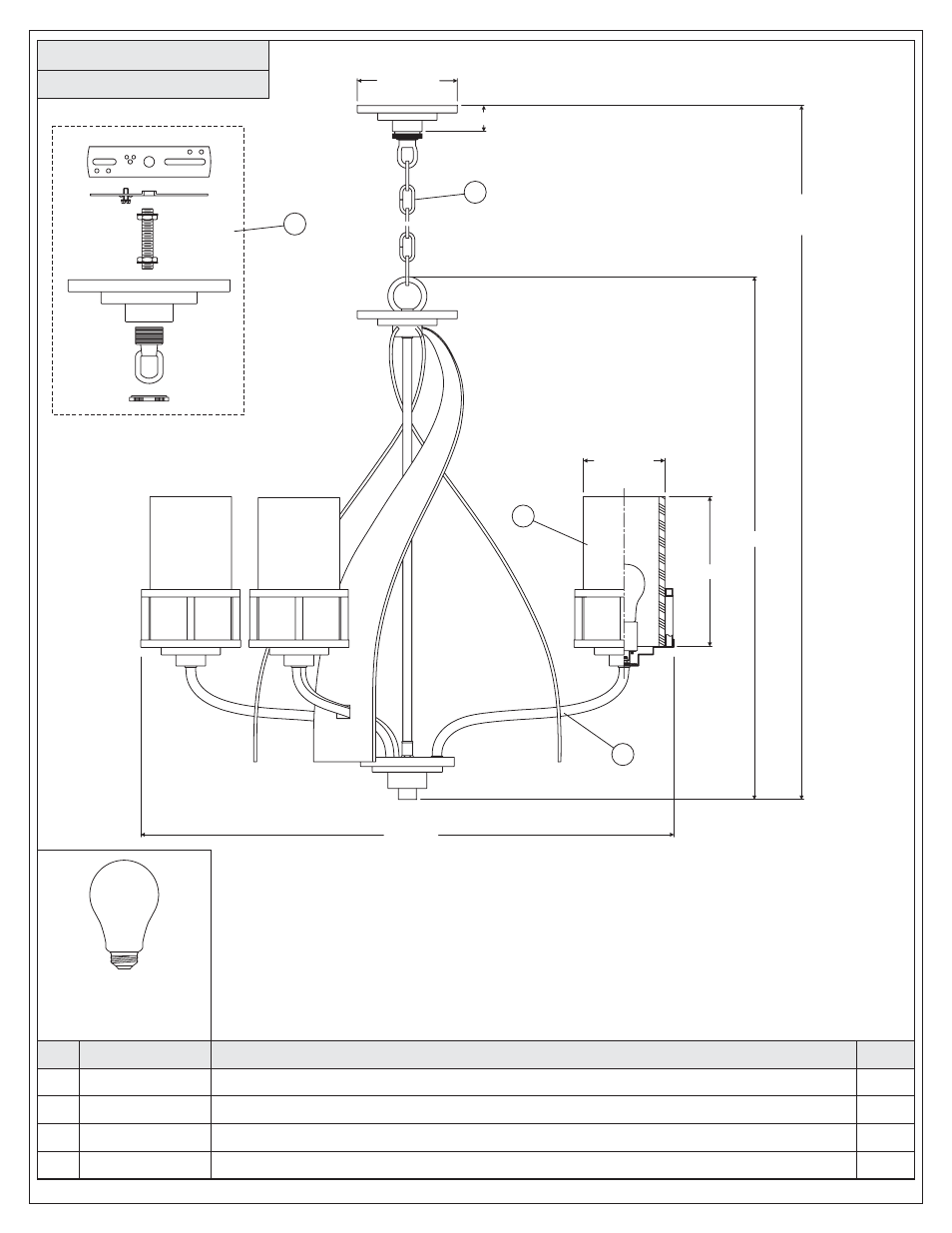
KY5006IB
PART NUMBER
NOTE: ALL DIMENSIONS ARE ROUNDED UP TO THE NEAREST 1/2
"
REPLACEMENT PART DESCRIPTION
REQ.
NO.
2of7
(6)100W Medium
Base Bulbs
(Not Supplied)
NOTE: THREE LIGHTS SHOWN FOR
ILLUSTRATION PURPOSES ONLY.
1
2
GND
2.4
mm
13
Ga
QU
I OZ
EL
FINISH: IMPERIAL BRONZE
3
4
15006IBKY
M2112CHIB
9239KIT
G2272SH
BASE IMPERIAL BRONZE FOR KY5006IB
CHAIN
4MM X 4' SQUARE
IMPERIAL BRONZE
MOUNTING HARDWARE/CANOPY
5.5"D
IMPERIAL BRONZE
SHADE BUTTERSCOTCH ONYX 4.5"D
1
1
1
6
Overall Height 79.5
(Includes 48 Chain)
"
"
5.5” Dia.
1.5”
28”
8”
4.5” Dia.
28” Dia.
1
2
3
4
See also other documents in the category Quoizel Lighting:
- ALZ8601PN Aliza (5 pages)
- DW8701C Downtown (1 page)
- DH8601AN Duchess (1 page)
- EDS8601WT Edison (5 pages)
- GE8601SE Genova (1 page)
- HS8601C Hollister (1 page)
- MLD8601BN Melody (4 pages)
- NL8601BN Nicholas (3 pages)
- SPH8701BN Sophia (3 pages)
- TY8501AN Taylor (3 pages)
- TB8601C Tranquil Bay (2 pages)
- UPTA8601C Uptown 3rd Ave (5 pages)
- ALZ8602PN Aliza (5 pages)
- AO8602MN Astoria (1 page)
- AYR8602BN Ayers (4 pages)
- BAR8602C Barrow (5 pages)
- BWR8602BN Bower (2 pages)
- BGT8602BN Broadgate (5 pages)
- CLE8602BN Clarke (2 pages)
- DI8502C Demitri (1 page)
- DW8602C Downtown (3 pages)
- DCN8602WB Duncan (2 pages)
- EDS8602WT Edison (5 pages)
- EI8602C Ellis (1 page)
- ERN8602IB Erin (5 pages)
- EME8604C Evermore (5 pages)
- HS8602C Hollister (1 page)
- KLT8602C Kolt (5 pages)
- MLD8602BN Melody (4 pages)
- NL8602BN Nicholas (2 pages)
- PF8602ES Pacifica (1 page)
- PRN8604C Paragon (5 pages)
- PY8602AN Perry (2 pages)
- QI8602C Quinton (1 page)
- SPH8702BN Sophia (4 pages)
- STE8602BN Stowe (5 pages)
- TU8602BN Tatum (3 pages)
- TY8602AN Taylor (2 pages)
- TB8602C Tranquil Bay (2 pages)
- TTN8602C Trenton (5 pages)
- TT8602C Tritan (1 page)
- UPTA8602C Uptown 3rd Ave (5 pages)
- UPTR8602IS Uptown Theater Row (5 pages)
- AN8540ES Adano (1 page)
- ALZ8603PN Aliza (5 pages)
