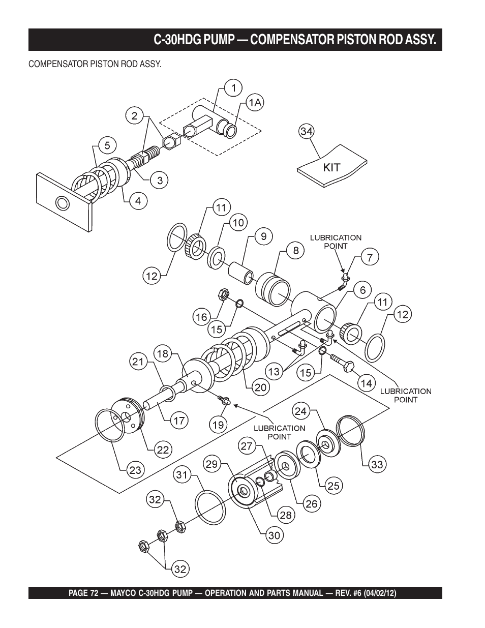
C-30hdg pump — compensator piston rod assy – Multiquip C30HDG User Manual
Page 72
See also other documents in the category Multiquip Pumps:
- LS-600 (152 pages)
- QP40TH (70 pages)
- Electri-Hydraulic Pump JPU1 (46 pages)
- High Pressure Centrifugal Pump (Honda GX340K1PKT2/GX340U1PKT2 Gasoline Engine) QP305SLT (68 pages)
- CENTRIFUGAL PUMP QP2H (68 pages)
- ST45HRMCE (140 pages)
- Pump QP-3TH (2 pages)
- MQ Multiquip Centrifugal Pump qp-402h (70 pages)
- QP2TE (58 pages)
- AP8 Series (124 pages)
- MP150SDLTE Operation Manual (58 pages)
- MP150SDLTE Parts Manual (56 pages)
- QP205SH (36 pages)
- QP305SLT (38 pages)
- QP204H (68 pages)
- QP2E (56 pages)
- QP2H (36 pages)
- QP303H (36 pages)
- QP402H (36 pages)
- CP20H (68 pages)
- CP30H (68 pages)
- QP205SLT (38 pages)
- QP201TE (54 pages)
- QP202TH (70 pages)
- QP2TH (38 pages)
- QP301TA_TY (14 pages)
- QP301TH (70 pages)
- QP3TE (56 pages)
- QP3TH (38 pages)
- QP40TE (56 pages)
- QP4TE (60 pages)
- QP4TH (38 pages)
- MQ41TDH (88 pages)
- MQ600TD80 (76 pages)
- MQ62TDD (116 pages)
- QP2TZ (36 pages)
- QP3TY (56 pages)
- QP3TZ (36 pages)
- QP4TZ (36 pages)
- QP4TZT10P (118 pages)
- T20H (70 pages)
- T30H (70 pages)
- MQD206H (70 pages)
- MQD2H (48 pages)
- MQD305 (76 pages)
