Connecting other audio components, Connecting additional amplifiers – Pioneer SC-LX58-S User Manual
Page 38

38
Connecting your equipment
03
Connecting other audio components
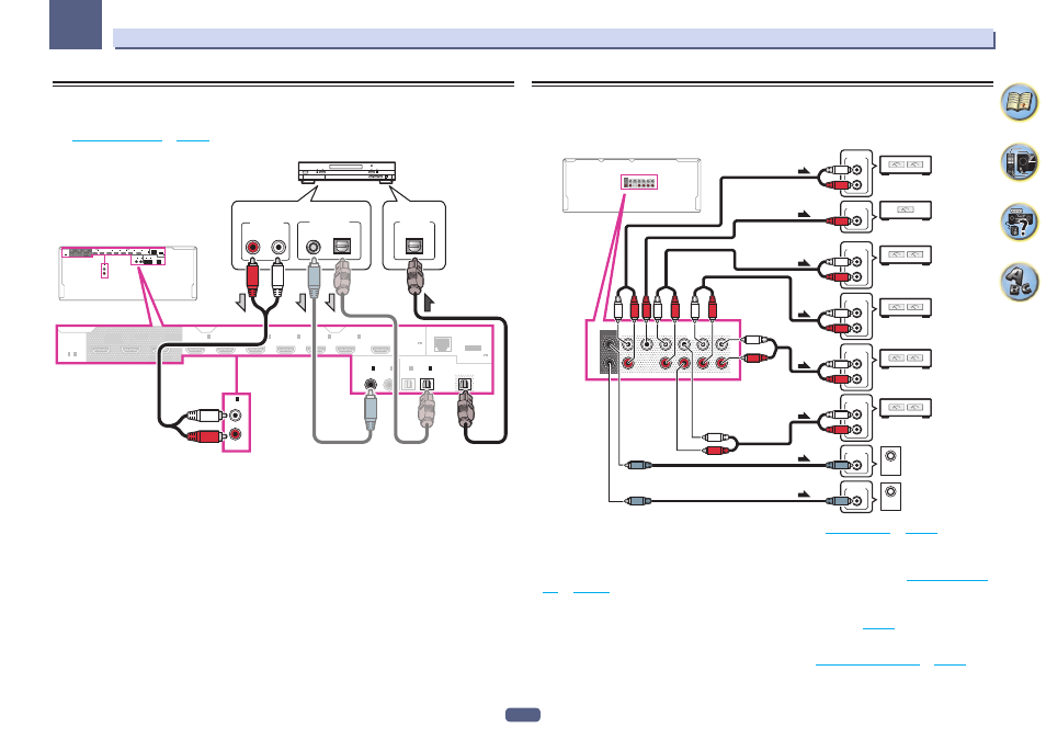
This receiver has both digital and analog inputs, allowing you to connect audio components for playback.
When you set up the receiver you’ll need to tell the receiver which input you connected the component to (see
also
LAN (10/100)
OUT 3
(HDZONE)
OUT 2
OUT 1
(CONTROL)
DC OUTPUT
for WIRELESS LAN
(OUTPUT 5 V
0.6 A MAX)
(OUTPUT 5 V
0.9 A MAX)
OPTICAL
COAXIAL
SELECTABLE
ASSIGNABLE
ASSIGNABLE
ASSIGNABLE
IN
1
(CD)
IN
1
(DVD)
BD IN
IN
2
(SAT/CBL)
IN
3
(DVR/BDR)
IN
6
IN
4
IN
7
MHL
IN
1
(TV)
IN
2
(DVR/BDR)
IN
1
(DVD)
IN
2
(SAT/CBL)
OUT
HDMI
ASSIGNABLE
1
-
7
LAN
(10/100)
OUT 3
(HDZONE)
OUT 2
OUT 1
(CONTROL)
DC OUTPUT
for WIRELESS LAN
(OUTPUT 5 V
0.6 A MAX)
(OUTPUT 5 V
0.9 A MAX)
OPTICAL
COAXIAL
SELECTABLE
ASSIGNABLE
ASSIGNABLE
IN
1
(DVD)
BD IN
IN
2
(SAT/CBL)
IN
3
(DVR/BDR)
IN
6
IN
4
IN
7
MHL
IN
1
(TV)
IN
2
(DVR/BDR)
IN
1
(DVD)
IN
2
(SAT/CBL)
ASSIGNABLE
IN
1
(CD)
OUT
HDMI
ASSIGNABLE
1
-
7
DIGITAL OUT
COAXIAL
ANALOG
R
L
AUDIO OUT
OPTICAL
DIGITAL IN
OPTICAL
CD player, MD, DAT, etc.
Select one
! If your turntable has line-level outputs (i.e., it has a built-in phono pre-amp), connect it to the ANALOG IN 1
(CD) inputs instead.
! You can’t hear HDMI audio through this receiver’s digital out jack.
Connecting additional amplifiers
This receiver has more than enough power for any home use, but it’s possible to add additional amplifiers to every
channel of your system using the pre-outs. Make the connections shown below to add amplifiers to power your
speakers.
PRE OUT
SURROUND SURR BACK T.MIDDLE
(Single)
FRONT
CENTER
SUBWOOFER
1
2
F WIDE
L
R
PRE OUT
SURROUND SURR BACK T.MIDDLE
(Single)
FRONT
CENTER
SUBWOOFER
1
2
F WIDE
L
R
R
L
ANALOG
INPUT
R
L
ANALOG
INPUT
R
L
ANALOG
INPUT
ANALOG
INPUT
ANALOG
INPUT
R
L
ANALOG
INPUT
Front channel
amplifier
Center channel
amplifier (mono)
Surround
channel amplifier
Top middle
channel amplifier
Surround back
channel amplifier
Powered
subwoofer 2
ANALOG
INPUT
Powered
subwoofer 1
R
L
ANALOG
INPUT
Front wide
channel amplifier
! If you’re not using a subwoofer, change the front speaker setting (see
on
) to
LARGE.
! You can use the additional amplifier on the surround back channel pre-outs for a single speaker as well. In this
case plug the amplifier into the left (SURROUND BACK L (Single)) terminal only.
! The sound from the surround back terminals will depend on how you have configured the
on
.
! If you have two subwoofers, the second subwoofer can be connected to the SUBWOOFER 2 terminal.
Connecting two subwoofers increases the bass sound to achieve more powerful sound reproduction.
! To hear sound only from the pre-outs, switch the speaker terminals to SP: OFF (
) or simply discon-
nect any speakers that are connected directly to the receiver.
It is also possible to hear sound only from the pre-outs by switching the AMP setting to OFF and setting the
pre-amp mode to turn the power amplifiers for all channels off (see
).