Подключение устройств – Pioneer MVH-7300 User Manual
Page 54

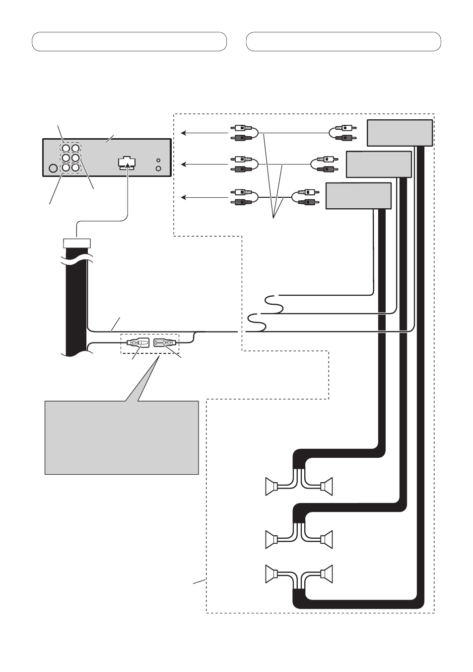
Подключение устройств
Соединение с усилителем мощности, который продается
отдельно
Расположение штырей ISO разъема
может быть различным в зависимости
от типа автомобиля. Соедините 5* и 6*
когда штырь 5 это штырь типа
управления антенны. В других типах
автомобилей никогда не соединяйте
5* и 6*.
Данное устройство
Усилитель мощности
(продается отдельно)
Усилитель мощности
(продается отдельно)
Усилитель мощности
(продается отдельно)
Задний выход
Передний выход
Выход низкочастотного
динамика
Синий/белый
Подключите к клемме системы
контроля усилителя мощности
(макс. 300 мА 12 В пост. ток).
Соедините с кабелями RCA
(продаются отдельно)
К переднему
выходу
К заднему
выходу
К выходу
низкочастотного
динамика
Синий/белый (6*)
Подключите к клемме управления
реле автомобильной антенны
(макс. 300 мА 12 В пост. ток).
Синий/белый (5*)
Выполните данные подключения,
когда используется усилитель,
который не входит в состав
обязательного оборудования.
Передний
динамик
Передний
динамик
Задний
динамик
Задний
динамик
Низкочастотный
динамик
Низкочастотный
динамик
Левый
Правый
Система дистанционного управления