Conexión de las unidades – Pioneer MVH-7300 User Manual
Page 30

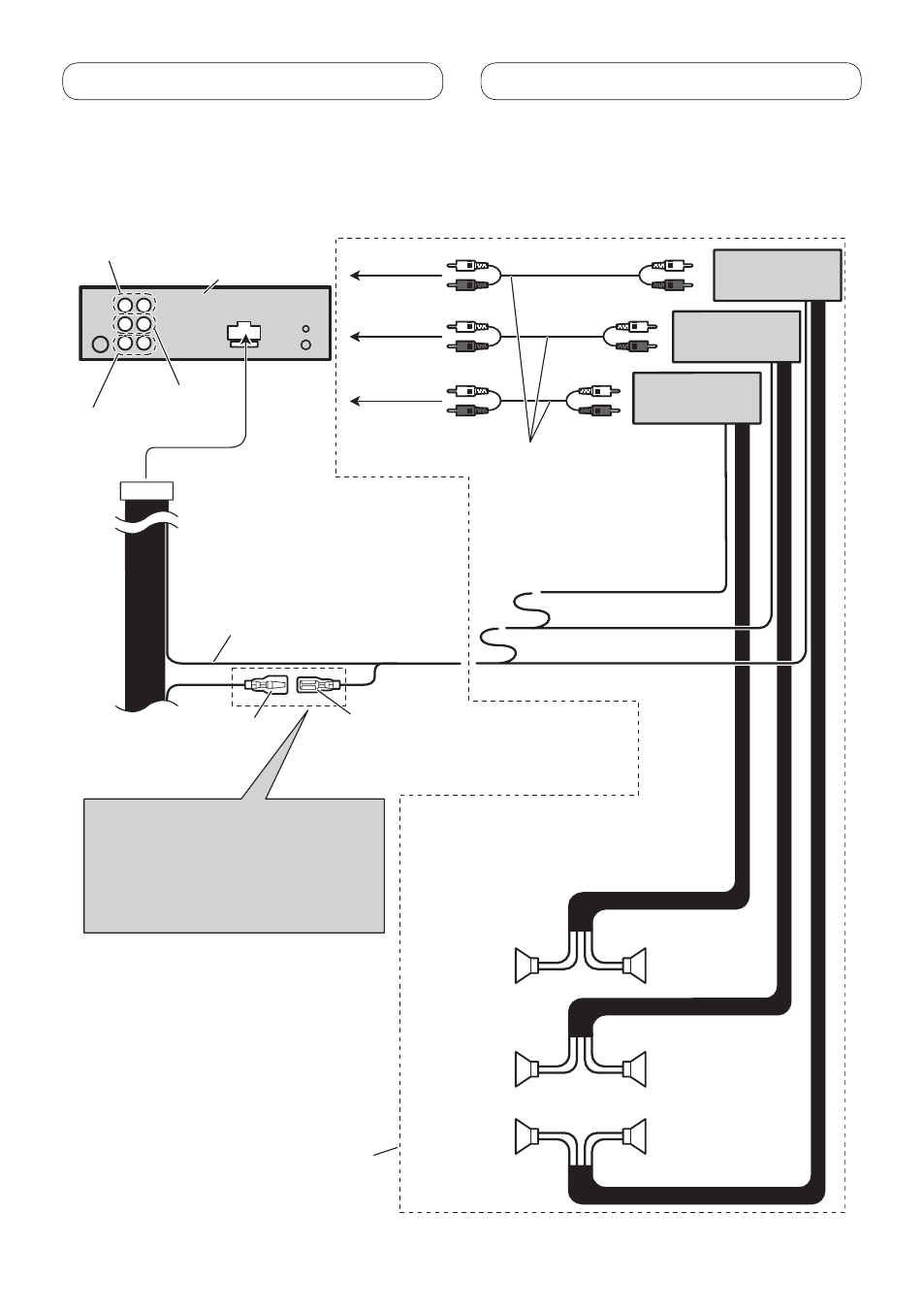
Conexión de las unidades
Cuando conecte a un amplificador de potencia vendido
separadamente
Azul/blanco
Conecte al terminal de
control de sistema del
amplificador de potencia
(máx. 300 mA 12 V CC).
Azul/blanco (6*)
Conecte al terminal de control
de relé de antena automática
(máx. 300 mA 12 V CC).
La posición de los contactos del conector
ISO difiere dependiendo del tipo del
vehículo. Conecte 5* y 6* cuando el
contacto 5 es del tipo de control de
antena. En otros tipos de vehículo, no
conecte nunca 5* y 6*.
Azul/blanco (5*)
Este producto
Conecte los cables RCA
(vendidos separadamente)
Realice estas conexiones cuando
utilice el amplificador opcional.
Control remoto de sistema
Salida delantera
Amplificador de
potencia (vendido
separadamente)
Amplificador de
potencia (vendido
separadamente)
Amplificador de
potencia (vendido
separadamente)
Salida trasera
Salida de altavoz
de subgraves
A la salida
delantera
A la salida
trasera
A salida de
altavoz de
subgraves
Altavoz
delantero
Altavoz
delantero
Altavoz de
subgraves
Altavoz de
subgraves
Altavoz
trasero
Altavoz
trasero
Izquierda
Derecha