Search
Directory
Brands
Campbell Scientific manuals
Accessories for electrical
TDR100 Time Domain Reflectometry Systems
Manual
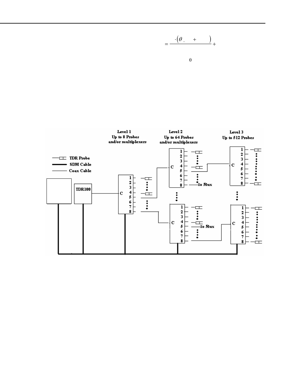
System components: datalogger control, 1 general, 2 datalogger – Campbell Scientific TDR100 Time Domain Reflectometry Systems User Manual
Page 17
Text mode
Original mode
System components: datalogger control, 1 general, 2 datalogger | Campbell Scientific TDR100 Time Domain Reflectometry Systems User Manual | Page 17 / 60
Pages:
1
…
15
16
17
18
19
…
60
wrong Brand
wrong Model
non readable
See also other documents in the category Campbell Scientific Accessories for electrical:
LLAC4 Four-channel, Low-Level AC Conversion Module
(14 pages)
PS100 Power Supply, CH100 Regulator, and A100 and A105 Adapters
(12 pages)
PS12LA, PS512M, CH12R, CH512R Power Supplies/Regulators
(8 pages)
PS150/CH150 12 V Charging Regulators
(26 pages)
PS200/CH200 12 V Charging Regulators
(104 pages)
SAT ARGOS Argos Transmitter
(16 pages)
SC100 1-Channel Serial Data Interface
(10 pages)
SC105 9-pin to RS232 DCE Interface
(18 pages)
SC32A Optically Isolated RS232 Interface
(10 pages)
SC32B Optically Isolated RS-232 Interface
(12 pages)
SC532A CS I/O Peripheral to RS-232 Interface
(18 pages)
SDM-AO4 4-Channel Continuous Analog Output Module
(18 pages)
SDM-AO4A Four Channel Analog Output Module
(20 pages)
SDM-CAN Datalogger to CANbus Interface
(76 pages)
SDS511 CSA Dual CS I/O Port Adapter
(6 pages)
ST-20 Argos Satellite Transmitter
(14 pages)
ST-21 Argos Satellite Transmitter
(16 pages)
SVP48 Surge Voltage Protector
(8 pages)
TGA100 Trace Gas Analyzer Manual
(115 pages)
TGA200 Trace Gas Analyzer Overview
(18 pages)
TX312 High Data Rate GOES Transmitter
(96 pages)
TX320 Transmitter
(80 pages)
VDIV10.1 and VDIV2:1 Voltage Dividers
(12 pages)
WXT510 Weather Transmitter
(16 pages)
WXT520 Weather Transmitter
(22 pages)