Directory
Brands
State manuals
Water boiler
SBL100 199 NE
Manual

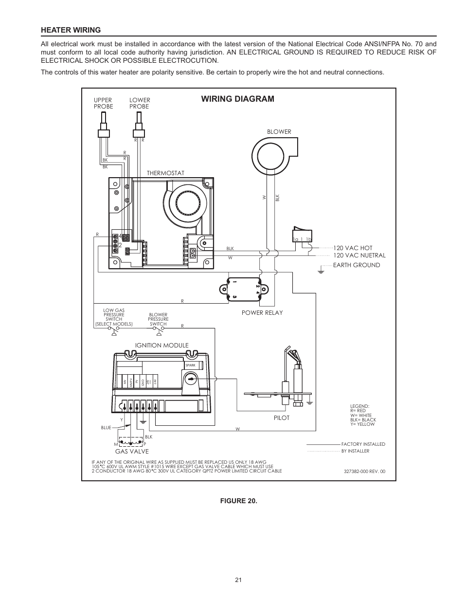
Wiring diagram, Heater wiring, Figure 20 – State SBL100 199 NE User Manual

Page 21

  • Text mode
  • Original mode
Wiring diagram, Heater wiring, Figure 20 | State SBL100 199 NE User Manual | Page 21 / 52 Wiring diagram, Heater wiring, Figure 20 | State SBL100 199 NE User Manual | Page 21 / 52
Pages: 1 … 19 20 21 22 23 … 52
  • wrong Brand
  • wrong Model
  • non readable
This manual is related to the following products:
  • SBL81 199 NE
See also other documents in the category State Water boiler:
  • GPH-90N (60 pages)
  • GPH-90N (63 pages)
  • GP6 50 YTPDT (4 pages)
  • GP6 50 YTVIT (40 pages)
  • GS6 40 YBFT (40 pages)
  • Series 300 (40 pages)
  • GP 6 40YPC T 100 (40 pages)
  • GS6 30 UORT (36 pages)
  • GS6 75 URRBS (24 pages)
  • GS6 75 URRBS (32 pages)
  • GS6 30 YOCT (24 pages)
  • GS6 30 YOCT (36 pages)
  • GS6 40 YBPDT (36 pages)
  • PR6 40 XBPDT (36 pages)
  • GS6 40 YBVIT (32 pages)
  • GS6 40 YBVIS (60 pages)
  • GS6 75 YRVIT (36 pages)
  • PR6 40 XCVIT (20 pages)
  • PR6 40 XRVIT (40 pages)
  • PR6 30 NOMT (24 pages)
  • PR6 30 NHDST2 (32 pages)
  • PR6 50 NHDST2 (28 pages)
  • GS6 40 YBDS (48 pages)
  • PR6 40 XODS (44 pages)
  • GS6 65 XRRT (24 pages)
  • GS6 75 XRRS (24 pages)
  • GS6 30 YOMT (32 pages)
  • GP6 50 YTPDT (60 pages)
  • GP6 50 HTPDT (56 pages)
  • EPX 60 DHPT (22 pages)
  • SPX 50 DHPT (20 pages)
  • HPWH Inlet/Outlet Duct (3 pages)
  • EPX 40 DXRT (28 pages)
  • P6 30 20T1 (20 pages)
  • P6 6 10 MS K (20 pages)
  • ES6 2 SSUS K (20 pages)
  • MHEW2-30L-035D (16 pages)
  • SCI 30 DHMS (24 pages)
  • SBN71 120NE thru (52 pages)
  • SDV 75 70 NE/PE (40 pages)
  • SDV 75 70 NE/PE (36 pages)
  • SBS65 65NE (24 pages)
  • SBS75 76NE (36 pages)
  • SBB75 76NE (24 pages)
  • GPG/GPV-540A (37 pages)
Home Brands Popular manuals Recently added
Manuals Directory

© 2012–2025, azmanual.top
All rights reserved.