Axw-avr, Meridian sr-aiphoneax1-xs, Pg. 5 pg. 6 – Aiphone AXW-AVR User Manual
Page 4

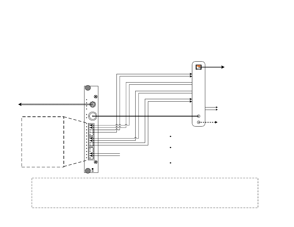
CEU
AUDIO IN
+
-
AUDIO OUT
+
-
CALL IN
+
-
CALL OUT
+
-
RELAY
NO
NO
VIDEO IN
VIDEO OUT
AXW-AVR
To AX-CEU
(Door Input)
CONFIGURATION DIAGRAM:
AXW-AVT / AXW-AVR with Meridian Technology Fiber (ST/SR-AiphoneAX1-XS), 2 of 2
Pg. 5
Pg. 6
Optic Fiber
(to ST-AiphoneAX1-XS, Pg. 4)
Coaxial Video Cable
Normally Open contact for remote device activation
(i.e. video switcher, DVR, etc.)
Composite Video Output*
(for CCTV monitor, DVR, etc.)
Configuration Notes (2 of 2):
1. Connect the AXW-AVR ‘CEU’ connection to an unused Door station input on the AX-CEU and ensure that
the AX-CEU has been programmed to accept a video door station on that input (see Pg. 2).
2. Connect the Call In / Call Out and Audio In / Audio Out connections on the AXW-AVR to the Meridian fiber
receiver module (as detailed below, Fig. 2). For complete pin definitions, consult the Meridian installation
document.
3. The RELAY output on the AXW-AVR provides a Normally Open dry contact output whenever the door
station connection is active. This can be used to activate any device local to the AXW-AVT (DVR trigger,
video switcher activation, local call indication, etc.).
Application Considerations:
The Meridian fiber modules shown include extra contact closures
which may be used for door release output local to the door station
(using dry contact output of the AX-CEU as a trigger)
Power supply connections to the Meridian fiber modules are not
shown, and are dictated by the mounting method chosen
(standalone, rack mount, etc). Contact Meridian Technologies for
available options.
AXW-AVT / AXW-AVR should be mounted as close as possible
to their corresponding Meridian fiber modules. Avoid mounting
units near high voltage AC devices, or other sources of inductive
noise.
Fig. 2
Please Note:
Only information pertaining to the connection and operation of the AXW-AVT / AXW-AVR and listed 3
rd
party devices interfacing with it are included here. Aiphone is not
responsible for attempts to connect the AXW-AVT / AXW-AVR to untested 3
rd
party transmission hardware. Consult the installation manual for the 3
rd
party device being utilized
for further information regarding physical mounting, base functionality, power requirements, etc. For the most up-to-date compatibility information, please consult http://
www.aiphone.com or contact Aiphone Technical Support.
For complete AX system installation, wiring, and programming information, please consult the AX Installation Manual (included on CD with AX Central Exchange Unit, or
available at http://www.aiphone.com).
Meridian
SR-AiphoneAX1-XS
CT1
AT2
AT1
DT2
DT1
CR2
CR1
AR2
AR1
DR2
DR1
VID
SYN
RX C/E
TX C/L
DIAG
PWR
VIDEO
OPTICAL
TX
RX
CT2
1
3
5
1
4
1
3
5
DA
TA
C.C.
AU
D
IO
AXW-AVT to SR-AiphoneAX1-XS
‘Audio’ Connector Detail:
Pin 1
Audio In -
Pin 2
Audio In +
Pin 3
Audio Out -
Pin 4
Audio Out +
‘C.C.’ Connector Detail:
Pin 1
Call Out -
Pin 2
Call Out +
Pin 3
Call In +
Pin 4
Call In -
‘DATA’ Connector Detail:
Pin 3 & 4
Optional Door
release contact
input (from CEU)
From AX CEU Door
Release Output
