Schreiber engineering – Schreiber Chillers ASM010 City Water Switchover User Manual
Page 6

H
G
F
E
D
C
B
A
87
65
43
21
H
G
F
E
D
C
B
A
87
65
43
21
110 VAC
SCHREIBER
ENGINEERING
12
111
E
. Park St.
C
errit
o
s CA 90
70
3
56
2-92
6-3
855
56
2-92
6-0
969
- F
A
X
w
w
w
.tru
et
on
.co
m
ASM
010
MO
DE
L
FILENA
M
E
S
W
ITCHOVER.VSD
DR
A
W
N
BY
JEF
F
J
O
HNSO
N
DA
T
E
1/10/02
VO
L
T
A
G
E
D
R
AW
ING NO.
D
E
S
CRIP
T
ION
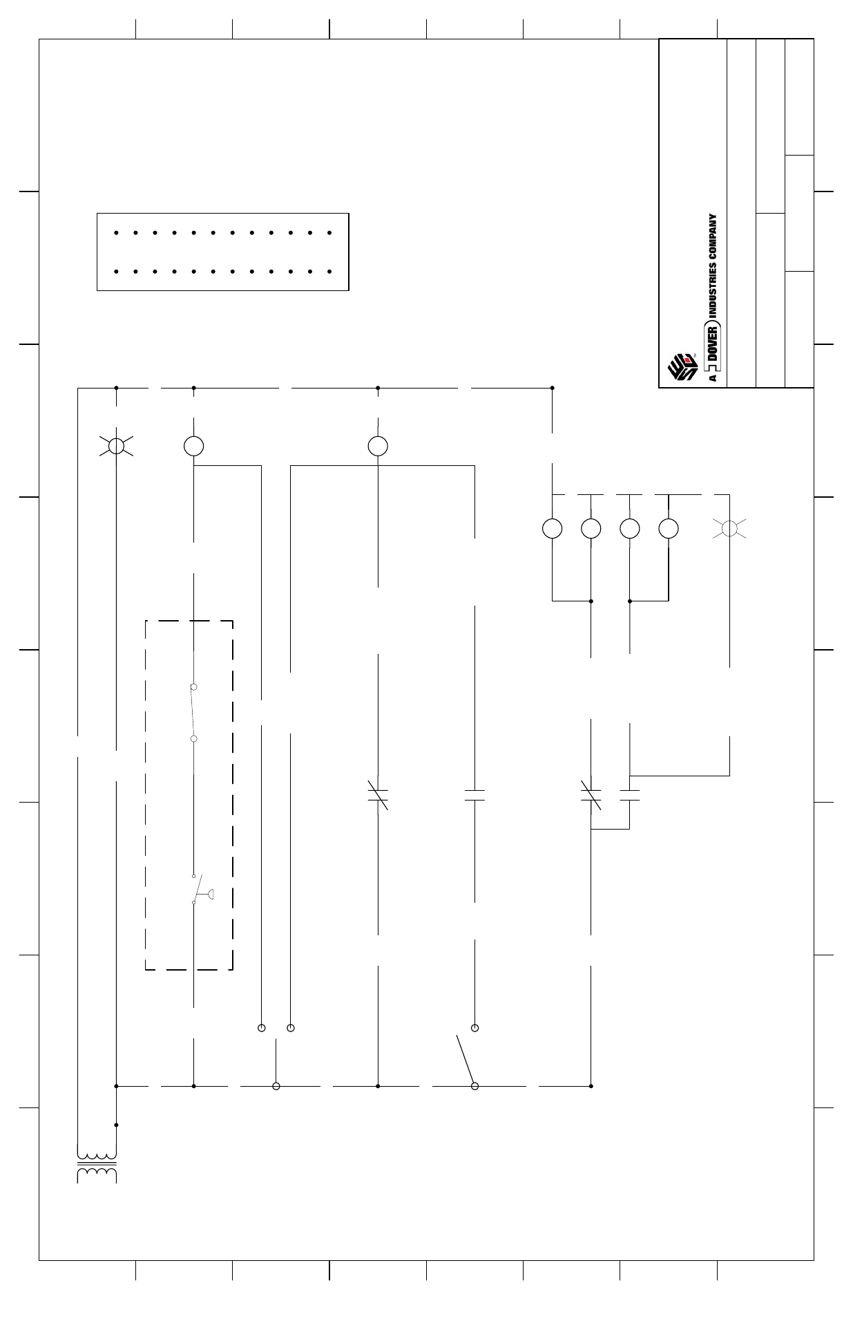
CITY WATER SW
ITCHOVER SCHEMATIC
24
V
BLACK
Pressure Switch
Opens on loss of pressure
t
o
H
igh
T
emp
era
tu
re Ala
rm co
ntact
Open
s on hi
gh
temp
era
tu
re
R1
BLUE
BLACK
BLACK
R2
BLACK
PURPL
E
/W
H
ITE
WHITE/BLACK
PURPL
E
/W
H
ITE
R1
R2
BLACK
PURPLE
R2
R2
BLACK
YELLOW/BLACK
WHITE/BLACK
WHITE
WHITE
WHITE
BLACK
YELLOW/BLACK
RE
D
BLACK
BLACK
BLACK
RE
D
RE
D
RE
D
RE
D
RE
D
RE
D
RE
D
WHIT
E
Outside of Chiller
Ch
iller V
alve
Coils
City Water
Valve Coils
ALARM NC
ALARM NO
ALARM COM
110 Neutra
l
110 VAC
Press
ure Swit
ch
Sensor Common
High
Te
mp
Contact
Terminal Block
Connections
1
2
3
4
5
6
7
8
9
10
11
12
See also other documents in the category Schreiber Chillers Equipment:
- Copy of 1000AC MRI (42 pages)
- 1000AC (30 pages)
- 1000ACsf (30 pages)
- 1001ACsf (26 pages)
- 1250ACsf (30 pages)
- 1055 Clearances (2 pages)
- 100ACsf (32 pages)
- 1001acsfod (31 pages)
- 15 Med Main Manual (19 pages)
- 1500ACsf (31 pages)
- 150AC laser (34 pages)
- 150ACsf (30 pages)
- 150ACsfaw (32 pages)
- 15MEDAC email (64 pages)
- 15MEDAC_GEN2 (77 pages)
- 15medWC (56 pages)
- 2500modify (19 pages)
- 2500ACsf (31 pages)
- 200ACsf (31 pages)
- 2000ACsfmodify (20 pages)
- 2203AC - 3-Stage Chiller (40 pages)
- 2000ACsf (31 pages)
- 30AC (18 pages)
- 400ACsf trane (35 pages)
- 400ACsf (32 pages)
- 500ACsf (33 pages)
- 50ACsf (32 pages)
- 750AC MRI (43 pages)
- 750ACsf (31 pages)
- 400AC MRI (40 pages)
- 300ACsf (31 pages)
- 3000ACsf (32 pages)
- 3000AC (33 pages)
- 300AC-MRI (46 pages)
- Modular Chillers (56 pages)
- Micro Photonix 1001ac (35 pages)
- MICRO MAX CHILLERS (21 pages)
- MC75WC (13 pages)
- MC75AC (20 pages)
- Katema 1001AC (45 pages)
- Hypertherm Part No 039104 (30 pages)
- Excellon (26 pages)
- Excellon MM30AC (20 pages)
- Excellon 150EX (34 pages)
- Excellon 150AC (33 pages)
