Baureihe l, ln, Einbau-, betriebs- und wartungsanleitung – Xylem LN User Manual
Page 16

Einbau-, Betriebs- und Wartungsanleitung
Baureihe L, LN
Seite 12
Ausrichtung der Kupplung im betriebswarmen
Zustand und bei Systemdruck (falls vorhanden)
noch einmal kontrollieren und gegebenenfalls
korrigieren. Vorher Kapitel 6 beachten! Das
Aggregat muss sich von Hand aus leicht und
gleichmäßig durchdrehen lassen.
Unsachgemäßes Ausrichten des Aggregates
kann zu Schäden an Kupplung und Aggregat
führen!
Nach dem Ausrichten und vor der
Inbetriebnahme Kupplungsschutz montieren.
5.3.3 Zulässiger Versatz bei elastischen Kupplun-
gen
Kupplungsgröße
H80FK
H95FK
H110FK
B
125K
F
H125FK
B
140FK
H140FK
B
160FK
H160FK
B
180FK
H180FK
B
200FK
H200FK
Kupplungs-Außen
[mm] 80 95 110 125 140 160 180 200
Axialer Abstand S
S
max
3
6
S
min
2
Max. radialer Versatz
K
r
0,1 0,2
Max. winkeliger Versatz
S
max
. S
min
K
w
= S
max
- S
min
0,1 0,2
Kupplungsgröße
NHN160FK
NHN180FK
NHN200FK
Kupplungs-Außen
[mm] 168 180 200
Axialer Abstand
0,
3
0,
4
Max. radialer Versatz
K
r
0,2
Max. winkeliger Versatz
S
max
. S
min
K
w
= S
max
- S
min
0,2
S8 = Nennlänge der Ausbaukupplung
Die angegebenen Werte
K
r
und
K
w
gelten für 1500
min
-1
.
Für alle anderen Drehzahlen gilt:
K
w
. S
n
bzw.
K
r
. S
n
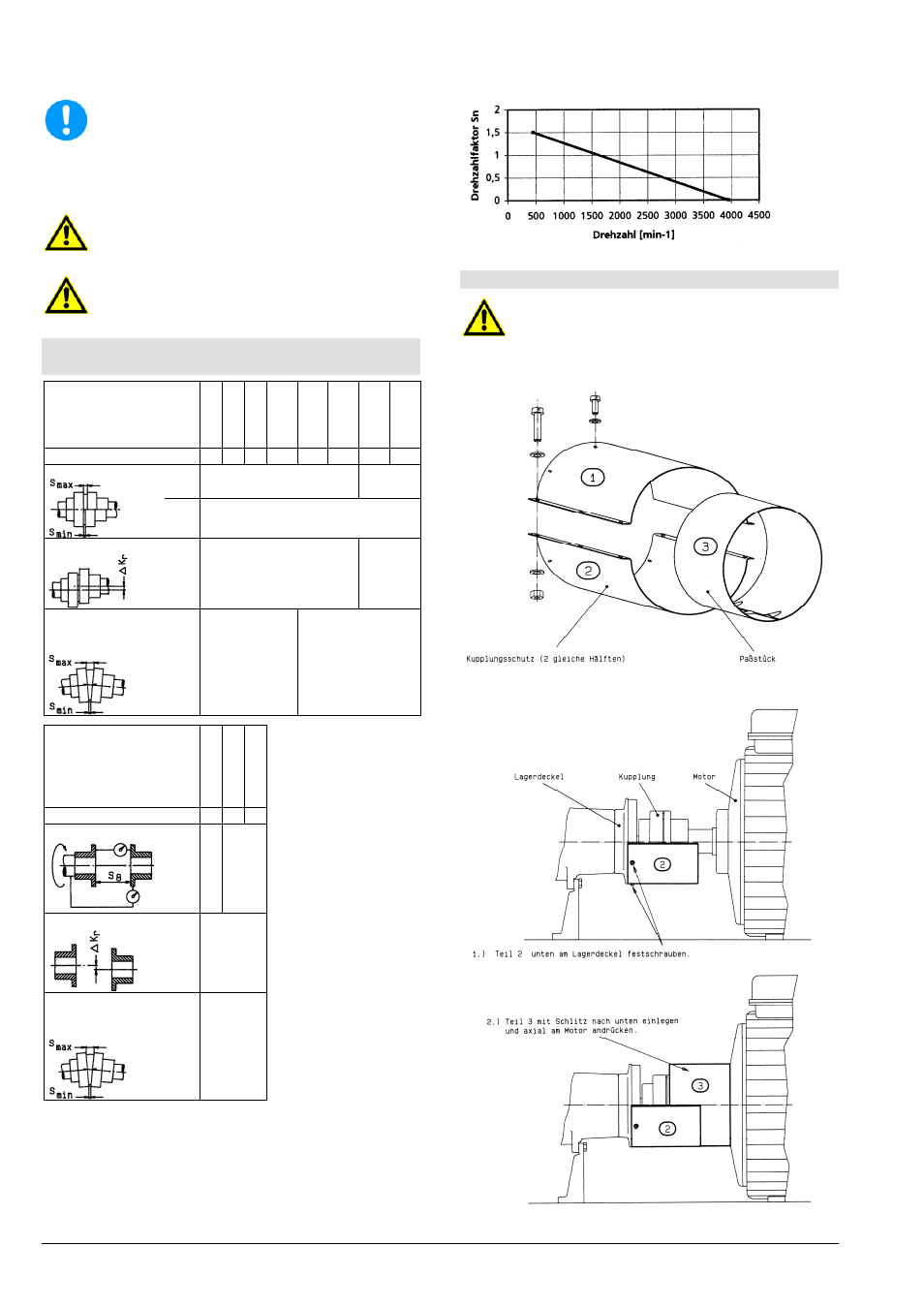
5.3.4 Kupplungsschutz Baureihe L
Gemäß Unfallverhütungsvorschriften darf die
Pumpe nur mit einem Kupplungsschutz
betrieben werden.
Bestandteile:
Montage:
