Max1002, Low-power, 60msps, dual, 6-bit adc – Rainbow Electronics MAX1002 User Manual
Page 6

MAX1002
Figures 2 and 3 show single-ended and differential AC-
coupled input circuits. Each of the amplifier inputs is
internally biased to a 2.35V reference through a 20k
Ω
resistor, eliminating external DC bias circuits. A series
0.1µF capacitor is required at each amplifier input for
AC-coupled signals. 
When operating with AC-coupled inputs, the input
amplifiers’ DC offset voltage is nulled to within ±1/2LSB
by an on-chip offset-correction amplifier. An external
compensation capacitor is required to set the dominant
pole of the offset-correction amplifier’s frequency
response (Figures 2 and 3). The compensation capaci-
tor determines the low-frequency corner of the analog
input response according to the following formula:
f
c
= 1 / (0.1 x C)
where C is the value of the compensation capacitor in
µF, and fc is the corner frequency in Hz.
Low-Power, 60Msps, Dual, 6-Bit ADC
6
_______________________________________________________________________________________
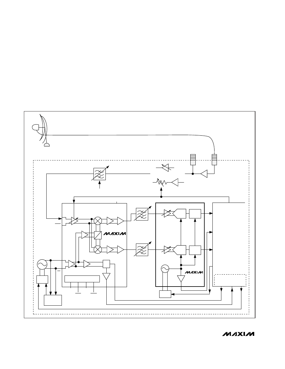
0
DIV
60Msps
DATA
BUFFER
TANK
MODCTL
CAR
SYNTHESIZER
FIN
IIN
AGC
CLK IN
DSP
QIN
DAC OR
ADC CLOCK
6 BITS
TANK
LO
TSA5055 or
EQUIVALENT
90
OFFSET CORRECTION
OFFI
OFFI
OFFQ
OFFQ
PSOUT MOD GND (x8)
AGC
IOUT
QOUT
V
CC
(x7)
FROM TANK VOLTAGE
VARACTOR-TUNED
PRESELECTION FILTER
EXTERNAL
VCO
OR
OR
F-CONNECTOR
FOR 2ND SET-TOP BOX
KU BAND
75
Ω
CABLE
950MHz TO 2150MHz
F-CONNECTOR
INPUT
MAX2102
MAX1002
DATA
BUFFER
6 BITS
LO
RFIN
RFIN
LNB
Figure 1. Commercial Satellite Receiver System
