Diode part: reverse recovery, Hvm-2006-a – C&H Technology RM600HE-90S User Manual
Page 5

MITSUBISHI ELECTRIC CORPORATION
HIGH VOLTAGE DIODE MODULE
HVM-2006-A
(HV-SETSU)
PAGE
4 / 11
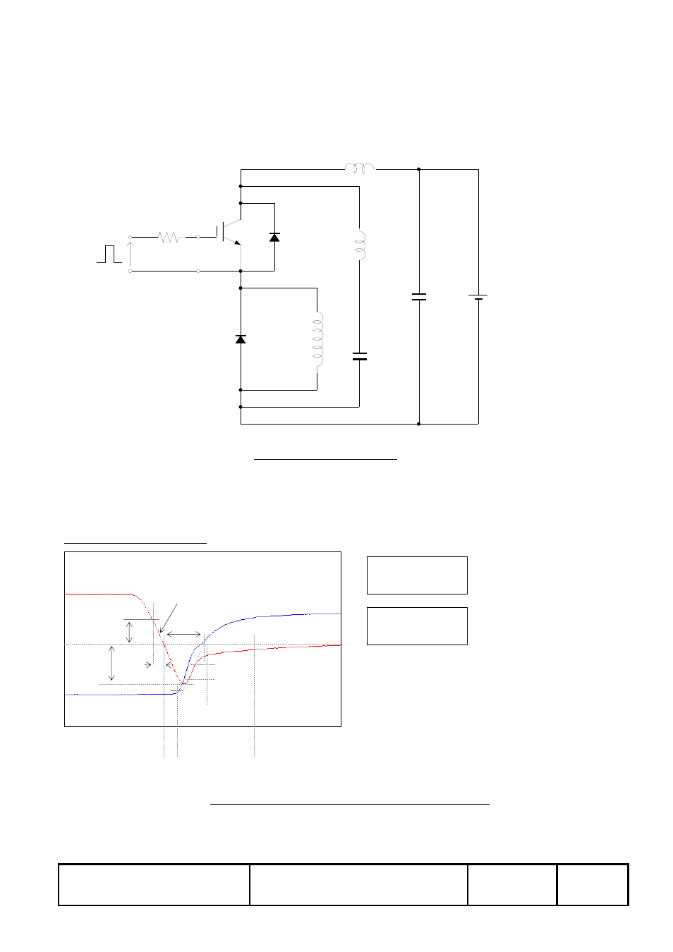
11. Test Circuit & Definition of Switching Characteristics
V
CC
C = 2 mF
L
S1
= 500 nH
L
S2
= 100 nH
C
S
= 200 uF
L
LOAD
Rg
DUT: diode
K
A
Fig. 1 – Switching test circuit
Diode part: reverse recovery
0
0
if dt
0
t6
Qrr
= –
∫
I
F
di/dt
Irr
dt
di
10%V
R
10%I
F
t5
50%Irr
90%Irr
trr
t6
V
R
t6
t5
if•vr dt
Erec
= –
∫
0
Fig. 2 – Definitions of reverse recovery charge & energy
See also other documents in the category C&H Technology Hardware:
- TDK4_ _3302 (5 pages)
- CM75TL-12NF (5 pages)
- PM600HSA120 (5 pages)
- GLI......A (4 pages)
- PM600DVA060 (5 pages)
- VSKDS408-060 (10 pages)
- G200 (5 pages)
- VS30ASR..N Series (2 pages)
- LPS1100 (6 pages)
- PM50CL1B120 (6 pages)
- CPS (3 pages)
- PM200DSA060 (7 pages)
- RM400HA-34S (5 pages)
- VS-GB100TH120U (8 pages)
- PP300B120 (8 pages)
- PP400B060 (8 pages)
- PM100RLA060 (7 pages)
- PM25RL1A120 (8 pages)
- VS210DG..HCB Series (3 pages)
- RTO20 (5 pages)
- PM50B4LB060 (7 pages)
- VS-GT100DA120U (11 pages)
- PM200RLA060 (7 pages)
- ST380CHPbF Series (8 pages)
- RM1200DB-66S (11 pages)
- GB70NA60UF (6 pages)
- VS255SG..HCB Series (3 pages)
- EMF050J60U (18 pages)
- HFA30TA60CSPbF (6 pages)
- PM50CLB120 (5 pages)
- MBR10.. Series (7 pages)
- VS-GB300LH120N (7 pages)
- LTO100 (5 pages)
- ST303CLPbF Series (9 pages)
- PM100CVA060 (7 pages)
- ST230CPbF Series (8 pages)
- QR_1220T30 (5 pages)
- VS230LM06CS02CB (3 pages)
- ST303CPbF Series (9 pages)
- TDK4_ _3002 (5 pages)
- HFA240NJ40CPbF (8 pages)
- CT220802 (5 pages)
- VS-UFL130FA60 (8 pages)
- GB05XP120KTPbF (11 pages)
- VS-GT75NP120N (7 pages)
