Fill, drain and overfill, Fill, drain and overfill parts, For models: kudc03ftss2 (stainless) – KITCHENAID KUDC03FTSS User Manual
Page 6

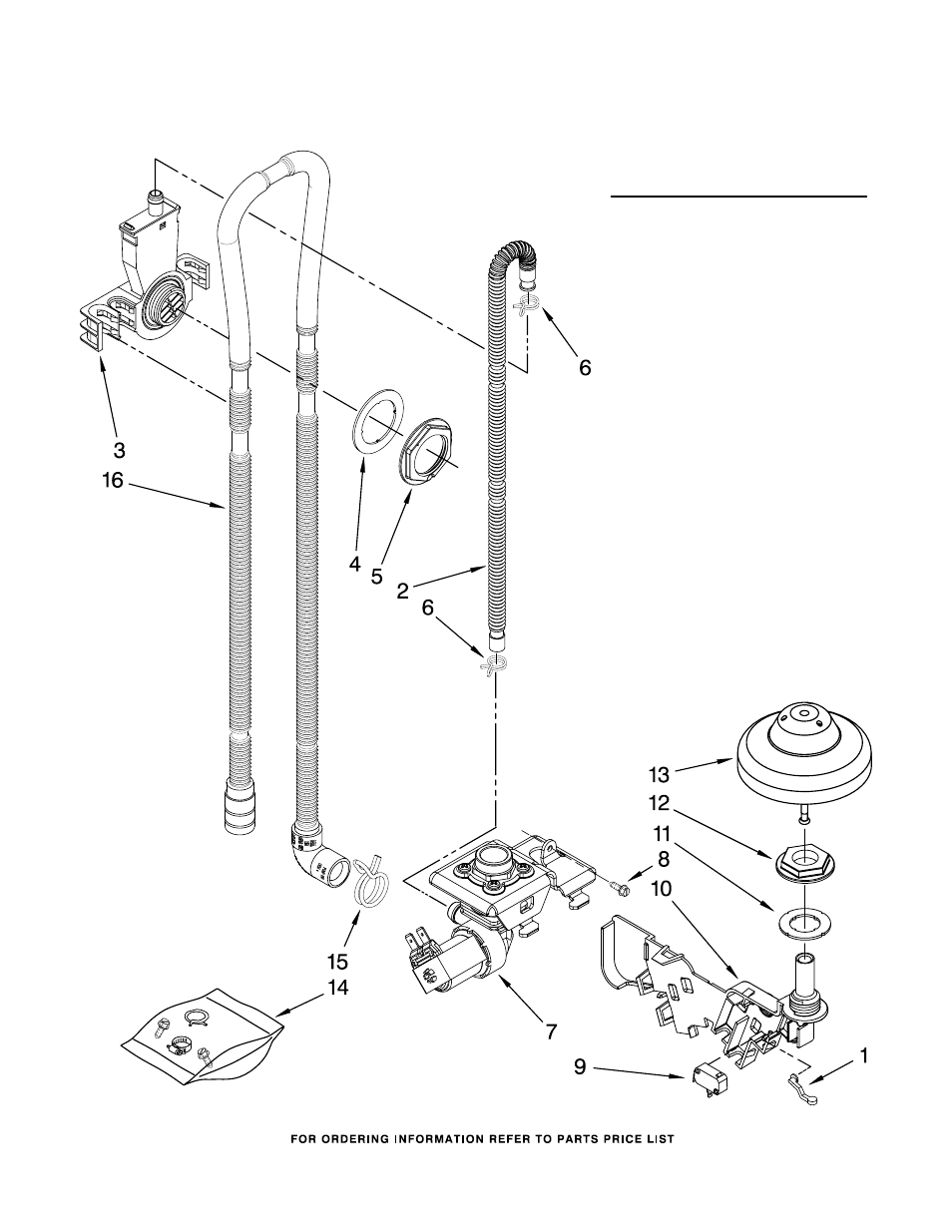
FILL, DRAIN AND OVERFILL PARTS
6
For Models: KUDC03FTSS2
(Stainless)
W10163052
Illus. Part
No. No. DESCRIPTION
1
8268892 Lever, Overfill
Switch
2
8531412 Hose, Inlet
3
8531325 Water Inlet
(Also Order
Item 4)
4
8531323 Gasket
5
8531327 Nut, Inlet
(Also Order
Item 4)
6
371505 Clamp, Hose
7
8563405 Fill Valve
Assembly
8
304392 Screw
9
8268909 Switch, Overfill
Control
10
8545946 Standpipe,
Overfill
(Includes Item 11)
11
8531743 Gasket, Flat
12
9741998 Nut, Standpipe
13 W10077871 Float & Retainer
Assembly
14
8269297 Miscellaneous
Parts Bag
(Includes 2 Screws
& 2 Hose Clamps)
15
356138 Clamp, Hose
16
8531022 Drain Loop
with Check Valve