Assembly instructions – Stamina Products CT2.0 User Manual
Page 7

ASSEMBLY INSTRUCTIONS
7
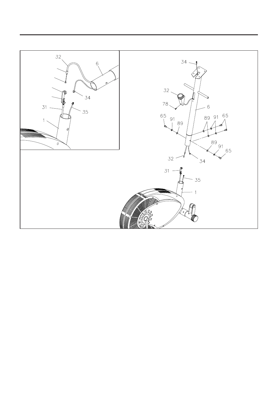
Bracket
Cable End
Spring Hook
Metal Fitting
STEP 3
Refer to the illustration.
Slide the
CABLE
on the TENSION KNOB(32)
through
the UPRIGHT(6). CAUTION:
Be careful not to damage the
CONNECTION WIRE(34)
. Attach the TENSION KNOB(32) onto the
UPRIGHT(6) with
FLAT HEAD SCREW(M5x0.8x12mm)(78).
STEP 4
Refer to the inset drawing. Lay the UPRIGHT(6) on the floor close to the front of the MAIN FRAME(1). Turn
the TENSION KNOB(32) on the UPRIGHT(6) counterclockwise as far as it can go, so the cable end extends
out of the metal fitting as far as possible. Connect the CABLE END of the TENSION KNOB(32) into the
SPRING HOOK on the end of the TENSION CABLE(31). Pull the CABLE on the TENSION KNOB(32)
firmly and insert the cable through the slot in the bracket. Then insert the METAL FITTING on the end of the
CABLE of the TENSION KNOB(32) into the hole at the end of the slot in the BRACKET. Adjust the TENSION
KNOB(32) and verify that the SPRING HOOK moves when the TENSION KNOB(32) is adjusted.
STEP 5
Plug the SENSOR WIRE(35) firmly into the CONNECTION WIRE(34). CAUTION: Be careful not to damage
the SENSOR WIRE(35) and CONNECTION WIRE(34) when assembling the UPRIGHT(6).
STEP 6
Insert the UPRIGHT(6) into the MAIN FRAME(1) and secure with BUTTON HEAD BOLTS(M8x1.25x15mm)
(65), ARC WASHERS(M8)(89), and LOCK WASHERS(M8)(91). Do not tighten the bolts until STEP 10.
