Search
Directory
Brands
Jameco Electronics manuals
Hardware
Rabbit 3000
Manual
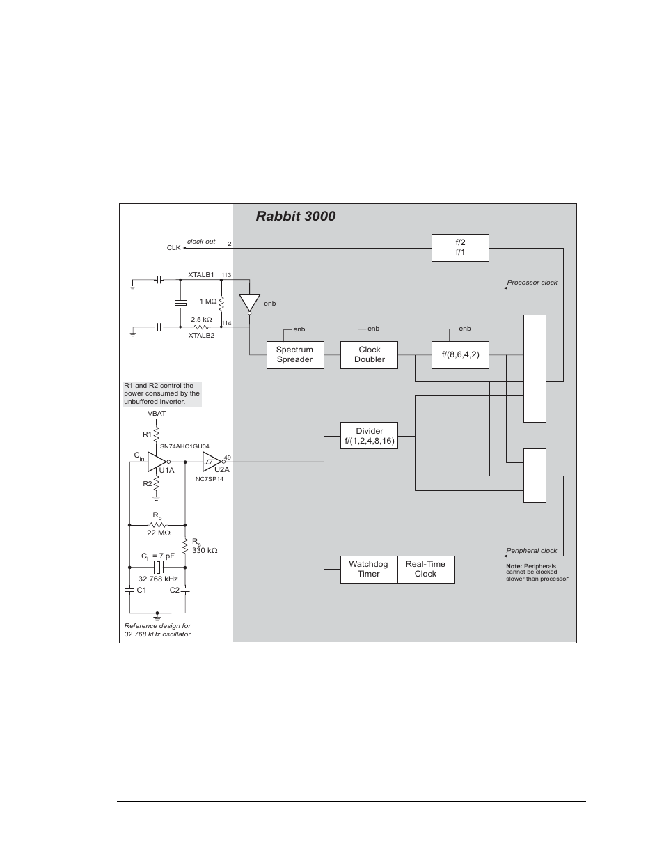
Rabbit 3000, 768 khz clock, Figure 7-1. clock distribution – Jameco Electronics Rabbit 3000 User Manual
Page 90: User’s manual 81
Text mode
Original mode
Rabbit 3000, 768 khz clock, Figure 7-1. clock distribution | User’s manual 81 | Jameco Electronics Rabbit 3000 User Manual | Page 90 / 349
Pages:
1
…
88
89
90
91
92
…
349
wrong Brand
wrong Model
non readable
This manual is related to the following products:
Rabbit 2000
See also other documents in the category Jameco Electronics Hardware:
Superpro Series
(27 pages)
PICProto Prototyping Boards
(1 page)
487023U
(30 pages)