Isuzu c240 --- injection pump comp. assy – Multiquip MQ Power Whisperwatt Generator DCA-25SSI User Manual

Page 118

background image

PAGE 118 — DCA-25SSI — PARTS AND OPERATION MANUAL— FINAL COPY (06/29/01)

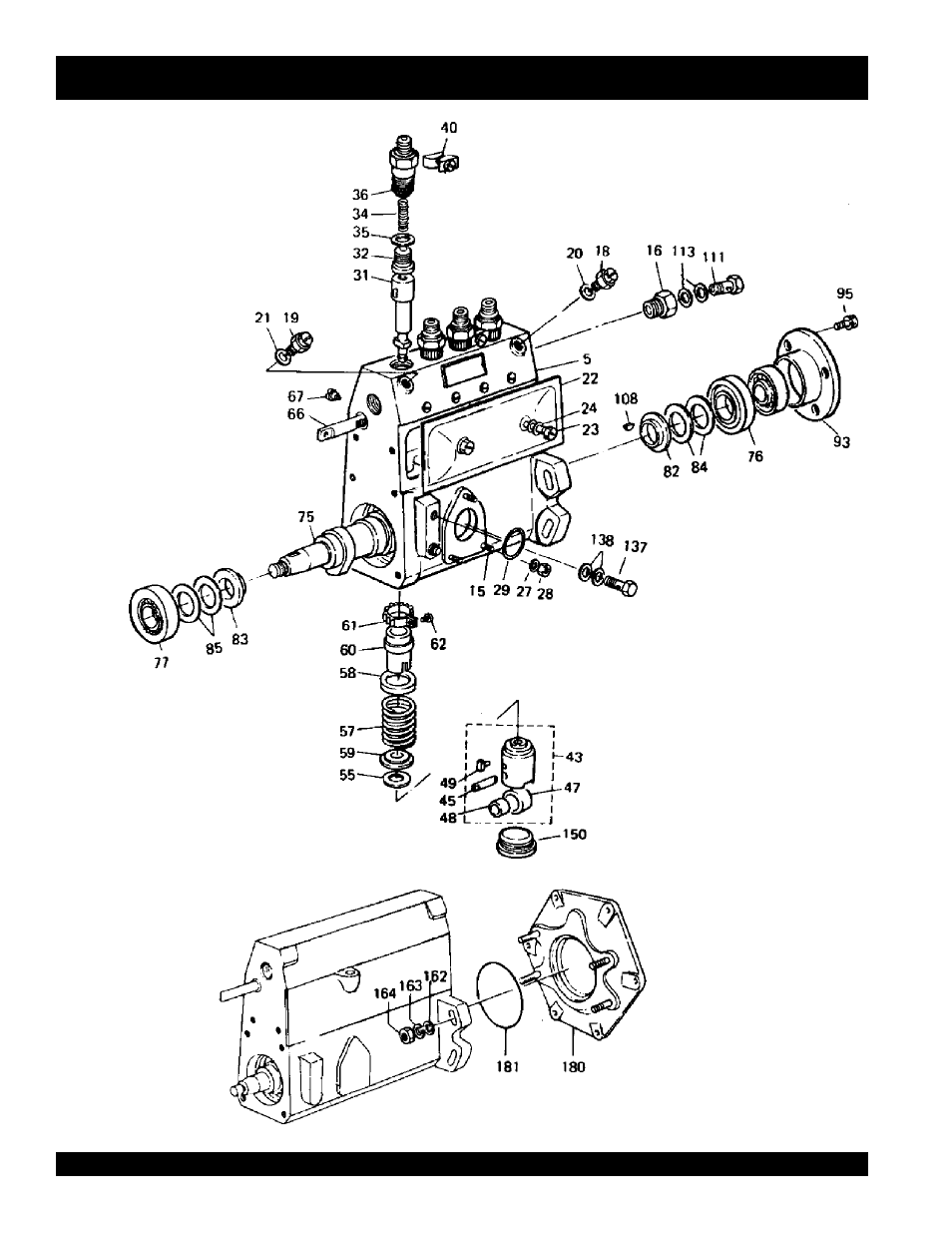
ISUZU C240 --- INJECTION PUMP COMP. ASSY.

INJECTION PUMP COMP. ASSY.

This manual is related to the following products: