Gearcase, Gearcase parts – Maytag 3RLSQ8000JQ6 User Manual
Page 12

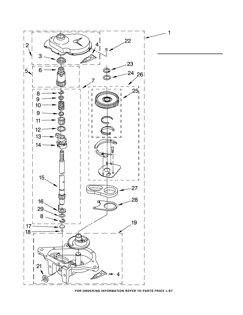
GEARCASE PARTS
Illus. Part
No. No. DESCRIPTION
1 3949118
Gearcase
(Complete)
2
285202
Cover, Gearcase
3
3349985
Seal, Gearcase
Cover
4
285195
Sealer, Gasket
(.20 Fl. Oz.) (6 ml)
5
63320
Pinion, Spin
(Includes Illus. 25)
6
356427
Seal, Spin
Pinion
7
389387
Shaft, Agitator
(Complete)
8
90369
Ring, Retaining (2)
9
62677
Retainer, Spring (2)
10
62676
Spring, Agitate
11
63273
Gear, Agitate
(Includes 15 & 29)
12
62619
Washer, Agitate
Gear
13
62580
Cam Follower
(Includes 14)
14
62581
Cam, Agitate
(Includes 13)
15
285509
Shaft, Agitator
(Includes 11 & 29)
16
62618
Washer, Cam
Thrust
17
16018
Bearing, Thrust
(Includes 18)
18
85529
Ball, Bearing
(Includes 17)
19
3366851
Bottom and Pinion
Gearcase
21
285352
Seal, Thrust Plug
22
3351614
Screw, Gearcase
Cover Mounting (8)
(10−24 x 3/8)
23
3362552
Ring, Retaining
24
285735
Washer Kit,
Thrust
25
3348567
Gear, Spin
26
285595
Neutral Assembly
27
3349296
Rack, Connecting
28
62621
Actuator, Shift
29
388815
Washer,
Intermediate
GC−219
12
For Model: 3RLSQ8000JQ6
(Designer White)
8181167
- MAL2424AXX (1 page)
- LAT2301AAE (36 pages)
- LAT2301AAE (32 pages)
- W10088776A (72 pages)
- 12001908 (3 pages)
- MDE/MDG21PDD (66 pages)
- MDW 15FTI (29 pages)
- MVP8600TU0 (2 pages)
- MAH5500B (16 pages)
- BRAVOSTM (84 pages)
- LAT9306EGE (11 pages)
- W10250564 (21 pages)
- MAH9700AW* (65 pages)
- W10117890A (20 pages)
- XHP1550VJ0 (1 page)
- MAV-3 (36 pages)
- LAT9714 (9 pages)
- MAV7257 (24 pages)
- MET3800TW0 (21 pages)
- MAV5960 (24 pages)
- MAF9601 (32 pages)
- MDE2400AYW (12 pages)
- MET3800TW1 (21 pages)
- MAF 1060 (17 pages)
- MD8416 (12 pages)
- MAH7500 (24 pages)
- FRONT-LOADINGAUTOMATICWASHER (72 pages)
- MAF 9801 (36 pages)
- W10270384 (10 pages)
- MAH55FLBWQ (52 pages)
- MAV7600 (8 pages)
- MAV-19 (24 pages)
- MAV-12 (24 pages)
- 201805 (3 pages)
- MAV5000 (11 pages)
- MAV-2 (48 pages)
- MAV-2 (10 pages)
- MD-31 (36 pages)
- SAV365ZAWW Installation (20 pages)
- MAV-5 (14 pages)
- MAV208DAWW (36 pages)
- MAV3905AWW (52 pages)
- MAV7450AWW (24 pages)
- MAT15MN (32 pages)
- MAH-24 (48 pages)