Generac 004614-1 User Manual
Page 63

Generac
®
Power Systems, Inc. 61
Appendix 3 — Exploded Views and Parts Lists
QUIETPACT™ 65D Recreational Vehicle Generator
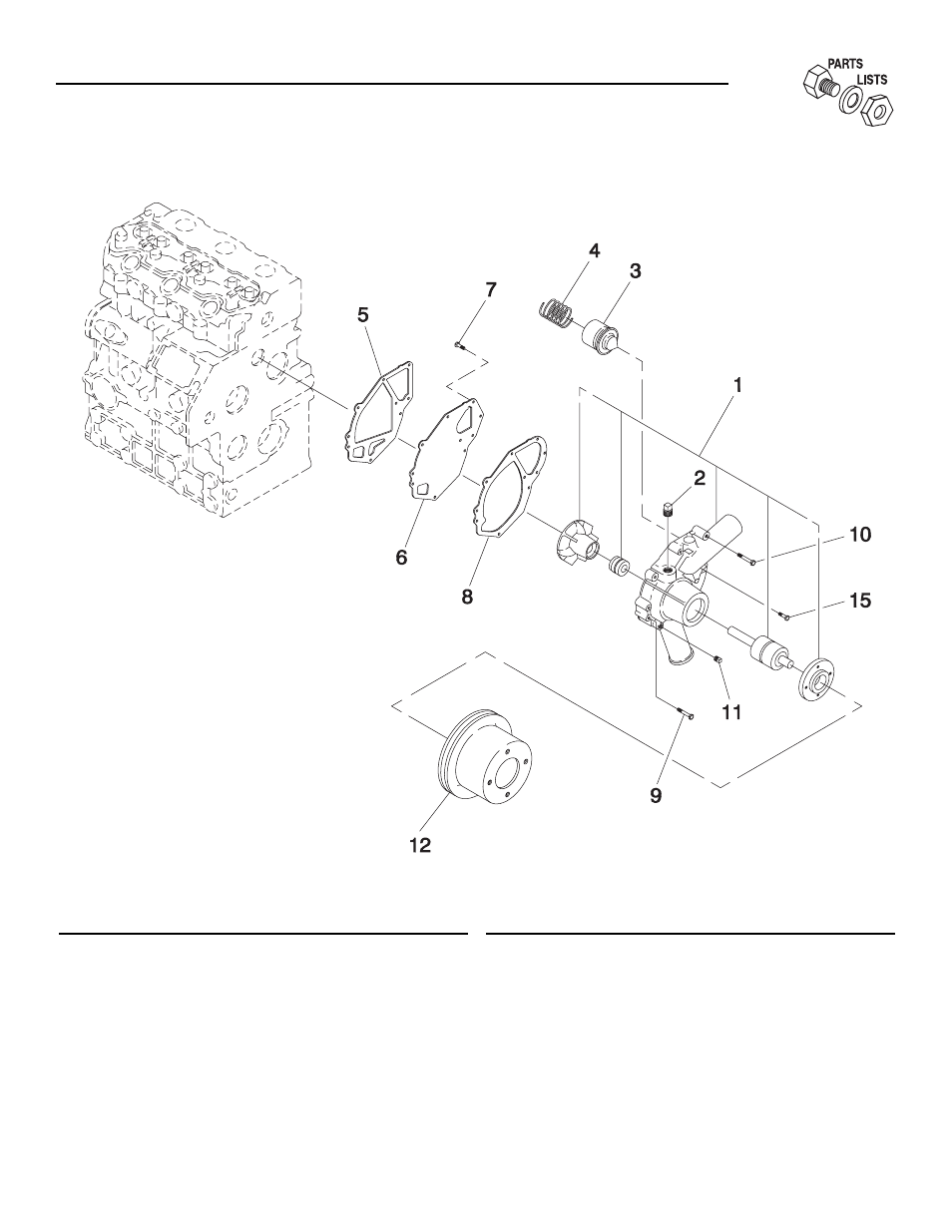
1.0 Liter Diesel Water Pump – Drawing No. 82962
ITEM
PART NO. QTY.
DESCRIPTION
1
0709390265
1
WATER PUMP ASSEMBLY
2
0709390266
1
PLUG
3
0709390267
1
THERMOSTAT
4
0709390268
1
SPRING
5
0709390269
3
GASKET
6
0709390270
1
SET PLATE
7
0709390271
1
BOLT
ITEM
PART NO. QTY.
DESCRIPTION
8
0709390272
1
GASKET
9
0709390273
1
BOLT
10
0709390274
1
BOLT
11
0709390275
1
NUT
12
0709390247
1
PULLEY
15
0709390284
1
BOLT
See also other documents in the category Generac Generators:
- NP-50LPG (32 pages)
- 004692-0 (44 pages)
- 004707-0 (56 pages)
- 005030-0 (15kW) (60 pages)
- 004475-0 (52 pages)
- 004189-1 (60 pages)
- Generator (16 pages)
- 00941-4 (52 pages)
- 1019-3 (24 pages)
- PRIMEPACT 50 05754-0 (60 pages)
- 04077-1 (32 pages)
- 7500 (20 pages)
- 11400 (16 pages)
- 09290-4 (52 pages)
- DUARDIAN 04079-2 (44 pages)
- 005031-0 (60 pages)
- Guardian Series Standby Gas Engine Generators 005884-1 (4 pages)
- Liquid-Cooled Engine Generator Sets 50Hz (5 pages)
- 004917-5 (48 pages)
- 04390-0 (60 pages)
- 5500EXL (20 pages)
- QT080 (6 pages)
- 005308-0 (48 pages)
- ASPAS1CCL015 (48 pages)
- Guardian Series Standby Generators QT060 (6 pages)
- Guardian Series Residential Standby Generators Air Cooled Gase Engine 005884-1 (5 pages)
- 04675-3 (56 pages)
- 0046265 (64 pages)
- 190/220 (24 pages)
- 005262-0 (56 pages)
- STANDBY GENERATORS 005520-1 (4 pages)
- SVP5000 97193 (16 pages)
- GP 3250 Portable Generator 005982-0 (20 pages)
- 00941-3 (52 pages)
- 004913-2 (52 pages)
- 20kW (52 pages)
- 004626-2 (64 pages)
- 04164-1 (64 pages)
- 004582 (39 pages)
- 005031-2 (56 pages)
- 004692-2 (52 pages)
- QT030 (4 pages)
- Standby Generator QT022 (6 pages)
- Gn - 410 (24 pages)
- XG8000E 5847-0 (2 pages)
