Generac 004614-1 User Manual
Page 58

ITEM
PART NO. QTY.
DESCRIPTION
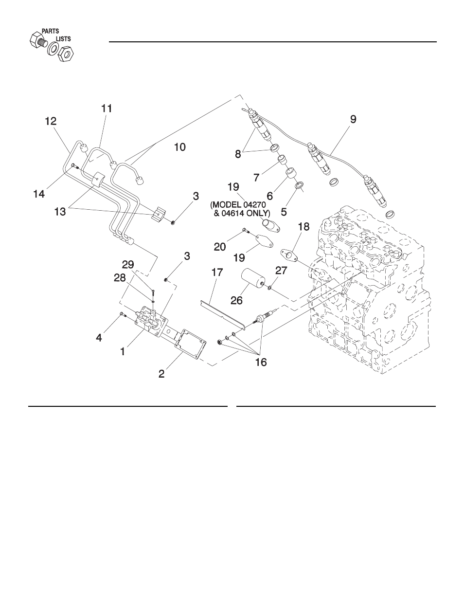
1
0709390316
1
INJECTOR PUMP ASSEMBLY
2
0709390317
AR
SHIM-0.2MM
0709390318
AR
SHIM-0.3MM
0709390319
AR
SHIM-0.5MM
0709390320
AR
SHIM-1.0MM
3
0709390298
3
NUT
4
0709390321
2
BOLT
5
0709390322
3
GASKET
6
0709390323
3
INSERT
7
0709390324
3
CAP
8
0709390325
3
INJECTOR
9
0709390326
1
TUBING
10
0709390327
1
TUBING
11
0709390328
1
TUBING
12
0709390329
1
TUBING
13
0709390330
1
CLAMP
ITEM
PART NO. QTY.
DESCRIPTION
14
0709390331
1
BOLT
16
0709390332
3
GLOW PLUG
17
0709390333
1
CONNECTOR
18
0709390334
1
GASKET
19
0709390335
1
COVER (ALL MODELS EXCEPT 04270
& 04614)
0C4736
1
TUBE, ENGINE OIL FILL (MODEL
04270 & 04614)
20
0709390264
2
BOLT
26
0709390341
1
SOLENOID
27
0709390342
1
WASHER
28
0709390343
1
WASHER
29
0709390344
1
SCREW
AR - AS REQUIRED
56 Generac
®
Power Systems, Inc.
Appendix 3 — Exploded Views and Parts Lists
QUIETPACT™ 65D Recreational Vehicle Generator
1.0 Liter Diesel Injector Pump – Drawing No. 075686-C
- NP-50LPG (32 pages)
- 004692-0 (44 pages)
- 004707-0 (56 pages)
- 005030-0 (15kW) (60 pages)
- 004475-0 (52 pages)
- 004189-1 (60 pages)
- Generator (16 pages)
- 00941-4 (52 pages)
- 1019-3 (24 pages)
- PRIMEPACT 50 05754-0 (60 pages)
- 04077-1 (32 pages)
- 7500 (20 pages)
- 11400 (16 pages)
- 09290-4 (52 pages)
- DUARDIAN 04079-2 (44 pages)
- 005031-0 (60 pages)
- Guardian Series Standby Gas Engine Generators 005884-1 (4 pages)
- Liquid-Cooled Engine Generator Sets 50Hz (5 pages)
- 004917-5 (48 pages)
- 04390-0 (60 pages)
- 5500EXL (20 pages)
- QT080 (6 pages)
- 005308-0 (48 pages)
- ASPAS1CCL015 (48 pages)
- Guardian Series Standby Generators QT060 (6 pages)
- Guardian Series Residential Standby Generators Air Cooled Gase Engine 005884-1 (5 pages)
- 04675-3 (56 pages)
- 0046265 (64 pages)
- 190/220 (24 pages)
- 005262-0 (56 pages)
- STANDBY GENERATORS 005520-1 (4 pages)
- SVP5000 97193 (16 pages)
- GP 3250 Portable Generator 005982-0 (20 pages)
- 00941-3 (52 pages)
- 004913-2 (52 pages)
- 20kW (52 pages)
- 004626-2 (64 pages)
- 04164-1 (64 pages)
- 004582 (39 pages)
- 005031-2 (56 pages)
- 004692-2 (52 pages)
- QT030 (4 pages)
- Standby Generator QT022 (6 pages)
- Gn - 410 (24 pages)
- XG8000E 5847-0 (2 pages)
