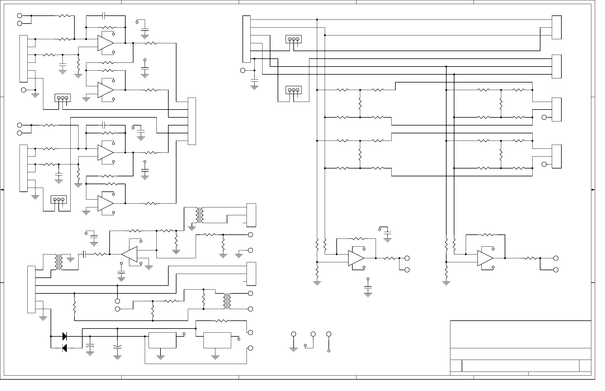
6300 a, Henry engineering, Schematic: multiport interface panel – Henry Engineering MULTIPORT User Manual
Page 2

5
5
4
4
3
3
2
2
1
1
D
D
C
C
B
B
A
A
1. ALL RESISTORS ARE 1/8W, 1%.
NOTE: UNLESS OTHERWISE SPECIFIED
B
TO STUDIO
OFF
R IN
R-
L-
AES IN
ON
SPDIF OUT
AES I/O,
PWR IN
OFF
R+
ON
GND
AES IN
AES OUT
ON
OFF
SPDIF IN
GND
GND
GND
FROM STUDIO
ON
L OUT
GND
OFF
AES OUT
L IN
L+
PWR LED
S/A SW
M2 OUT
M1 OUT
R OUT
L OUT
R OUT
6300
A
SCHEMATIC: MULTIPORT INTERFACE PANEL
HENRY ENGINEERING
503 Key Vista Drive
Sierra Madre, CA 91024 USA
telephone - (626) 355-3656
FAX (626) 355-0077
1
1
Tuesday, February 09, 2010
Title
Size
Document Number
Rev
Date:
Sheet
of
+12V
-12V
+12V
+12V
-12V
-12V
-12V
-12V
+12V
-12V
-12V
+12V
-12V
+12V
+12V
+12V
+12V
+12V
-12V
-12V
-12V
+12V
+12V
-12V
+12V
-12V
RP2B33.2
3
4
T1
TC-612
1
3
2
4
Q2
LM79L12
2
3
1
IN
OUT
GN
D
C15
0.1uF
E4
J2
2
T
3
R
S
1
P1
2
3
1
5
6
4
R13 4.99K
+
-
U2B
NE5532
5
6
7
8
4
R75
120
JP1
1 2 3
C2
30pF
Q1
LM78L12
3
2
1
IN
GN
D
OUT
C16
0.1uF
E13
E9
C21
0.1uF
E6
C19
0.1uF
R6 4.99K
R21
24.9K
C18
0.1uF
R5 4.99K
R2347 1/4W
C13
0.1uF
D1
1N4004
J6
2
1
3
E1
RP4A20K
1
2
R11 47 1/4W
R7 4.99K
RP5B33.2
3
4
R72
56
R76 10K
E18
R10 47 1/4W
+
-
U1A
NE5532
3
2
1
8
4
RP5A
33.2
1
2
JP4
1 2 3
E17
E20
R67
150
+
C6
1000uF 25V
-
+
U4
LM6181
3
2
6
7
4
+
-
U2A
NE5532
3
2
1
8
4
R12 4.99K
J5
2
1
3
E5
C20
0.1uF
E10
R66
110 1/4W
TP3
1
R69
150
RP1A20K
1
2
E12
D2
1N4004
T2
TC-615
1
3
2
4
R70
110 1/4W
RP2A
33.2
1
2
R17 24.9K
R73
82
R8 47 1/4W
TP1
1
R68 2.4K
R9 47 1/4W
C14
0.1uF
RP5C33.2
5
6
R4
12.4K
R18 24.9K
R2 24.9K
C4 30pF
E2
E11
J1
2
T
3
R
S
1
P3
1
2
3
4
5
6
P2
2
4
1
3
6
5
R64 1.2K
E19
T3
TC-615
1
3
2
4
JP3
1 2 3
TP2
1
R16 12.4K
+
-
U3A
NE5532
3
2
1
8
4
+
-
U1B
NE5532
5
6
7
8
4
R74130
R1 24.9K
RP1B20K
3
4
E3
C7
0.1uF
+
C5
1000uF 25V
JP2
1 2 3
E21
RP4B20K
3
4
RP2C33.2
5
6
R14 4.99K
R15
12.4K
R19 4.99K
R20
4.99K
C17
0.1uF
C1 30pF
C3
30pF
R3 12.4K
E7
R5847 1/4W
RP6C33.2
5
6
R544.99K
+
-
U3B
NE5532
5
6
7
8
4
RP1C20K
5
6
R55
4.99K
E8
J8
2
1
3
E15
R56
24.9K
E14
RP1D20K
7
8
R57
24.9K
RP4C20K
5
6
RP4D20K
7
8
RP3B33.2
3
4
RP3A
33.2
1
2
J7
2
1
3
RP6A
33.2
1
2
RP6B33.2
3
4
RP3C33.2
5
6
J3
2
1
3
J4
1
2
3
R22
24.9K