5500 c, Henry engineering, Phones lev – Henry Engineering MINI POD User Manual
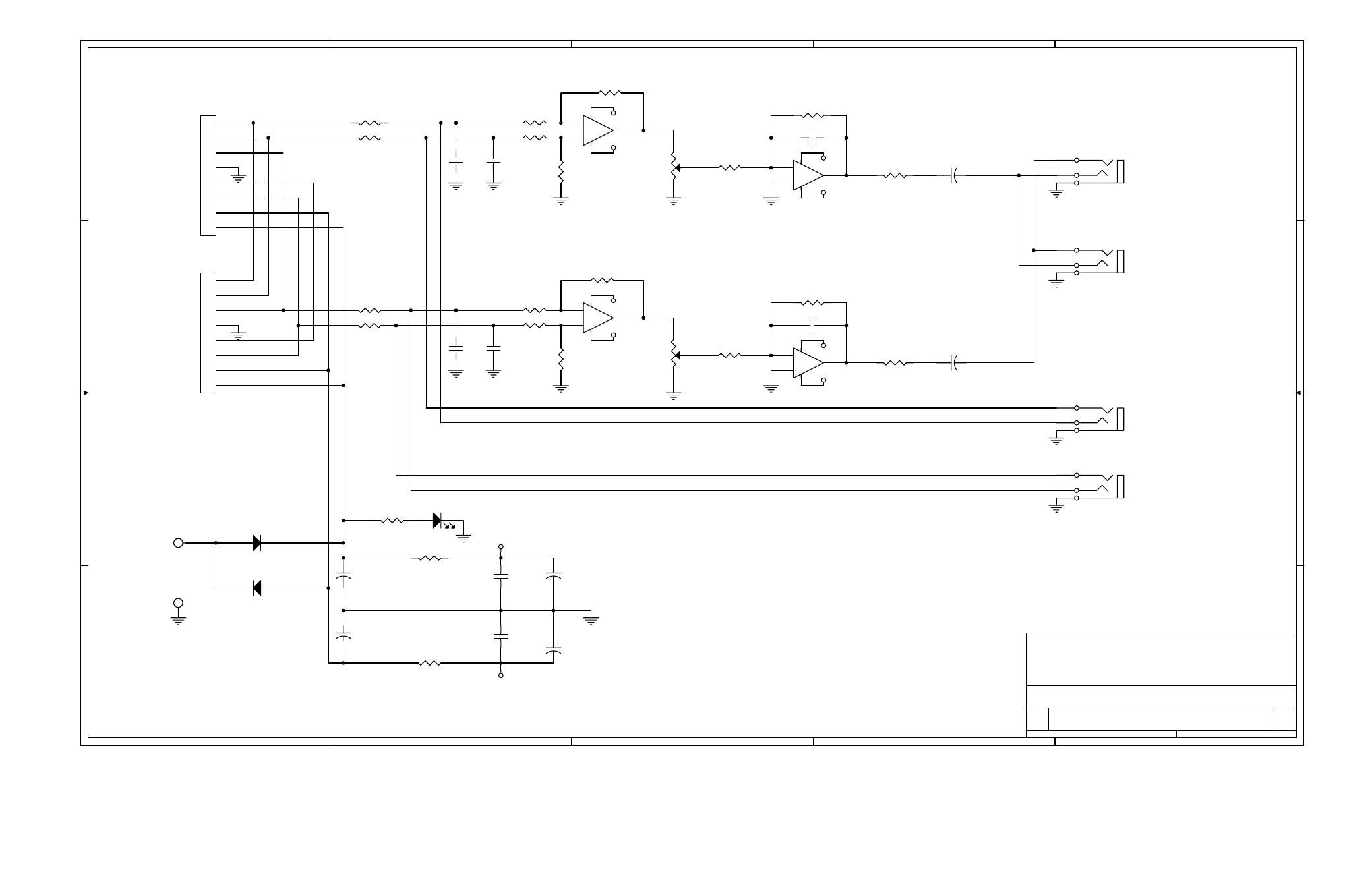
Page 2: Phones lev in r+ in l, Gnd pwr in- in r, Schematic, mini guest pod, Phones 3.5mm, Right in, Left in, Phones 1/4

5
5
4
4
3
3
2
2
1
1
D
D
C
C
B
B
A
A
IN L-
INPUT AND
LOOP-THRU
B
PHONES
LEV
PHONES
LEV
IN R+
IN L+
1. ALL RESISTORS ARE 1/4W, 1%.
GND
PWR IN-
IN R-
NOTE: UNLESS OTHERWISE SPECIFIED
CONTR
PWR IN+
IN L+
IN L-
IN R+
PWR IN+
PWR IN-
GND
CONTR
IN R-
PWR
GND
5500
C
SCHEMATIC, MINI GUEST POD
HENRY ENGINEERING
503 Key Vista Drive
Sierra Madre, CA 91024 USA
telephone - (626) 355-3656
FAX (626) 355-0077
1
1
Tuesday, March 18, 2008
Title
Size
Document Number
Rev
Date:
Sheet
of
-8V
-8V
+8V
+8V
-8V
+8V
+8V
-8V
-8V
+8V
RP1C 4.99K
6
5
J4
PHONES 3.5MM
5
2
1
R13 12.1K
R7 12.1K
+
C19
220uf,16V
+
-
U2B
NE5532
5
6
7
8
4
J6
RIGHT IN
R
T
S
J5
LEFT IN
R
T
S
R25 47
J3
PHONES 1/4"
R
T
S
RP2A 4.99K
1
2
C18
.1uF,50V
RP1B 4.99K
4
3
+
C13
330uF,35V
D1 1N4004
C1
.001uF
RP1D
4.99K
8
7
D2 1N4004
LED1
R15 3.9K
+
C21
330uF,25V
R19 1.00K
E2
RP2B 4.99K
4
3
R22 1.00K
C2
.001uF
R20 1.00K
C8
.001uF
J1
1
2
3
4
5
6
7
8
C3 30pF
+
-
U1A
NE5532
3
2
1
8
4
VR1B
10K, 18%
5
1
6
E1
+
C22
330uF,25V
R27 220
R21 1.00K
C4 30pF
J2
1
2
3
4
5
6
7
8
RP1E 4.99K
10
9
+
C20
220uf,16V
R26 47
RP2C 4.99K
6
5
RP2D
4.99K
8
7
RP2E 4.99K
10
9
+
C14
330uF,35V
R28 220
C17
.1uF,50V
+
-
U1B
NE5532
5
6
7
8
4
C7
.001uF
RP1A 4.99K
1
2
VR1A
10K, 18%
4
2
3
+
-
U2A
NE5532
3
2
1
8
4