Panasonic KX-P1150 User Manual
Page 22
Attention! The text in this document has been recognized automatically. To view the original document, you can use the "Original mode".

KX-P1150
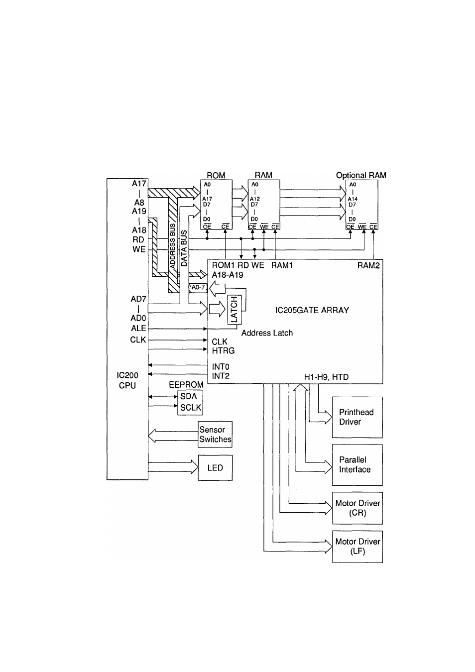
8.2.2 CPU and Peripheral Circuit Block
(1)
This block diagram consists of the CPU (IC200), Gate Array (IC205), ROM (IC202), RAM (IC203) and
optional RAM (IC204). It receives the data from the host computer, processes the input from the printhead
overheat sensor and operation switches, and controls the carriage, paper feed motors, and the printhead.
ROM contains the operation program, which controls data processing and mechanical functions and the
character generator, which determines the appearance of the characters.
IC202
IC203
IC204
See also other documents in the category Panasonic Printers:
- DP-4510 (12 pages)
- KX-MB271 (96 pages)
- 3000 (138 pages)
- KX-P2023 (88 pages)
- KX-FP205 (56 pages)
- KX-PW93CL (24 pages)
- DP-3000 (180 pages)
- KX-FG2451 (76 pages)
- KX-P7510 (68 pages)
- KX-FLB751 (84 pages)
- KX-FLB756AL (88 pages)
- Panafax UF-5950 (158 pages)
- KX-MB2000 (116 pages)
- KX-PW501DL (20 pages)
- KX-PW607DL (24 pages)
- DP-200 (63 pages)
- KX-PW95CL (24 pages)
- KX-PW201CL (24 pages)
- KX-CL500 (6 pages)
- KX-CL500 (32 pages)
- 150FP (153 pages)
- SV-P20U (62 pages)
- DP-8130 (6 pages)
- KV-SS010 (16 pages)
- KX-FT33HK (74 pages)
- KX-MB2025EX (124 pages)
- FP7750 (64 pages)
- KX-RC105 (132 pages)
- DP-3530 (6 pages)
- KX-FPC165 (112 pages)
- KX-P4440 (152 pages)
- KX-P1131E (49 pages)
- KX-FLB882CX (4 pages)
- WORKiO KX-CL500 (1 page)
- KX-FLM600 (156 pages)
- DA-AR250 (161 pages)
- KX-P3626 (76 pages)
- KX-P8410 (165 pages)
- DP-8016P (4 pages)
- DP2000 (44 pages)
- KX-PW708DLE5 (20 pages)
- KX-MC6260 (2 pages)
- KX-FLB811 (106 pages)
- KX-P6100 (44 pages)
- WORKIO CL500 (5 pages)
