
23
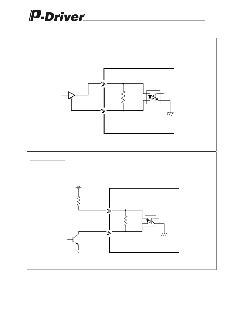
(3) Command Pulse-Train Input Part
Differential line-driver input
Applicable line driver: 26C31 or equivalent
Open-collector input
Pull up with a resistor of 2.2 k
Ω.
P-Driver
15/(17)
16/(18)
P-Driver
15/(17)
16/(18)
P24
2.2 k
Ω
N24
Pin No.
Pin No.